LINCOLN林肯电焊机LN-25-(ACROSS-THE-ARC)-MACHINE-SCHEMATIC-G5366-REV-A

LINCOLN林肯电焊机LN-25-(ACROSS-THE-ARC)-MACHINE-SCHEMATIC-G5366-REV-A新质力文库 - 聚焦新质生产力发展的数字化知识库_行业洞察 / 理论成果 / 实践指南免费下载新质力文库
LINCOLN林肯电焊机LN-25-(ACROSS-THE-ARC)-MACHINE-SCHEMATIC-G5366-REV-A
此内容为付费资源,请付费后查看
4969
立即购买
您当前未登录!建议登陆后购买,可保存购买订单
付费资源

第1页 / 共1页
已完成全部阅读,共1
THE END
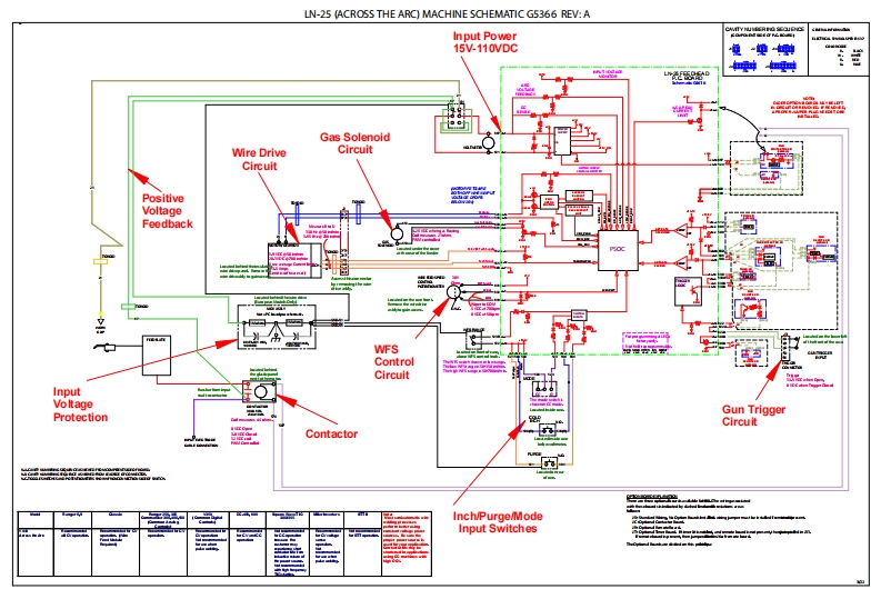
LN-25 (ACROSS THE ARC)MACHINE SCHEMATIC G5366 REV:ACMTY NUMERNO SGGUSCSIn put Power15V.110WDC楚单脚吧脚興进Gas SolenoidWire DriveCircuitCircuitPositiveVoltageFeedback01WFSControlCircuitInputVoltageProtectionGun TriggerCircuitContactor客mInch/Purge/ModeInput Switches
喜欢就支持一下吧
评论 抢沙发

请登录后发表评论

    请登录后查看评论内容