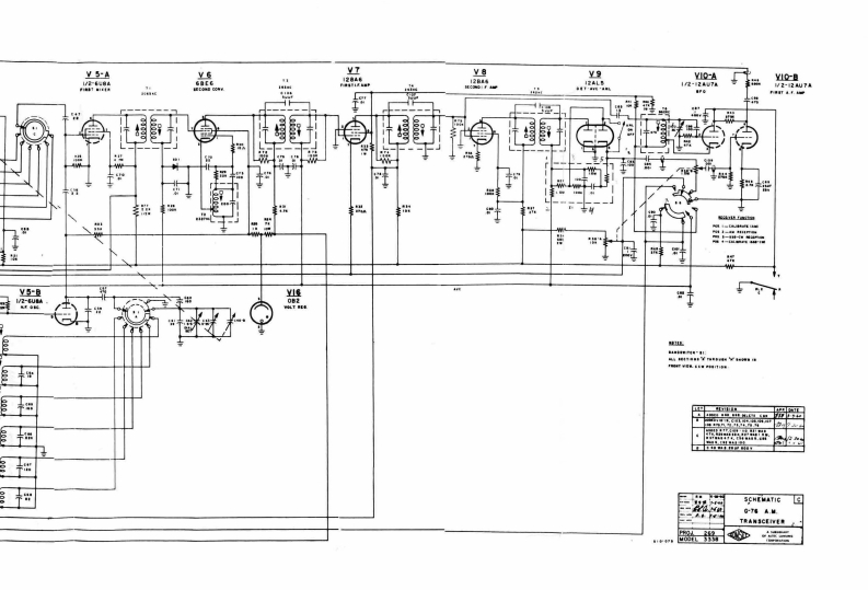
Gonset_G-76-(Schematic电器原理图手册)

Gonset_G-76-(Schematic电器原理图手册)新质力文库 - 聚焦新质生产力发展的数字化知识库_行业洞察 / 理论成果 / 实践指南免费下载新质力文库
Gonset_G-76-(Schematic电器原理图手册)
此内容为付费资源,请付费后查看
2936
立即购买
您当前未登录!建议登陆后购买,可保存购买订单
付费资源

第1页 / 共3页
试读已结束,还剩2页,您可下载完整版后进行离线阅读
THE END
¥5-4y9YIO-AYIC-B12-24w7aW2-2山74新A年e器4a第可期=用4作4年韩¥得54en线4是6。料行4卡5gN【MATIC⊙G指A.MT装ANSCENE。万
喜欢就支持一下吧
评论 抢沙发

请登录后发表评论

    请登录后查看评论内容