

第1页 / 共12页
试读已结束,还剩11页,您可下载完整版后进行离线阅读
THE END
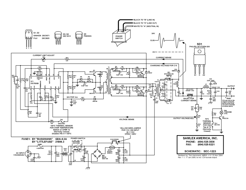
-BLACK TO'言CWEO-BLACK TO'D&NE OUT刀-HITE TO“A(NEUTRAL IN0g1,28ANEN8C的71P@227APOWER26802635T⊙HSD1PHIUPS:BYV72EW-200CURRENT UMIT ADJUSTCUR米EMT5EW8ECHARGING VOLTAGE FOR C1本301A700n512南3W四24V FOR VeeCURRENT SENSEOUTPUT VOLTAGE ADJ.To'cTHERMAL016SENSOR10O℃THERMAL&EN0RFOR FANFOR OER TENPERATUREYELLOW WIRE JUMPERTa:ol T2ege有XFMR T201523PUTINo自lly ClsedDb4eEP档1H.10口CFUSE1:BY 'BUSSMANN"GDA-6.3APOWER SWITCHSAMLEX AMERICA.INC.BY LITTLEFUSE"21806.3PH0NE:6045253836FAX:(604)525-5221AC INPUTSCHEMATIC:SEC.1223Redrawn by Tom Hammond.N288 v10 26 Nov 2004w联1.L1于hn2t0g,的ielC24e0n6pa
请登录后查看评论内容