HF-125-(Schematic电器原理图手册s)

HF-125-(Schematic电器原理图手册s)新质力文库 - 聚焦新质生产力发展的数字化知识库_行业洞察 / 理论成果 / 实践指南免费下载新质力文库
HF-125-(Schematic电器原理图手册s)
此内容为付费资源,请付费后查看
2936
立即购买
您当前未登录!建议登陆后购买,可保存购买订单
付费资源

第1页 / 共3页
试读已结束,还剩2页,您可下载完整版后进行离线阅读
THE END
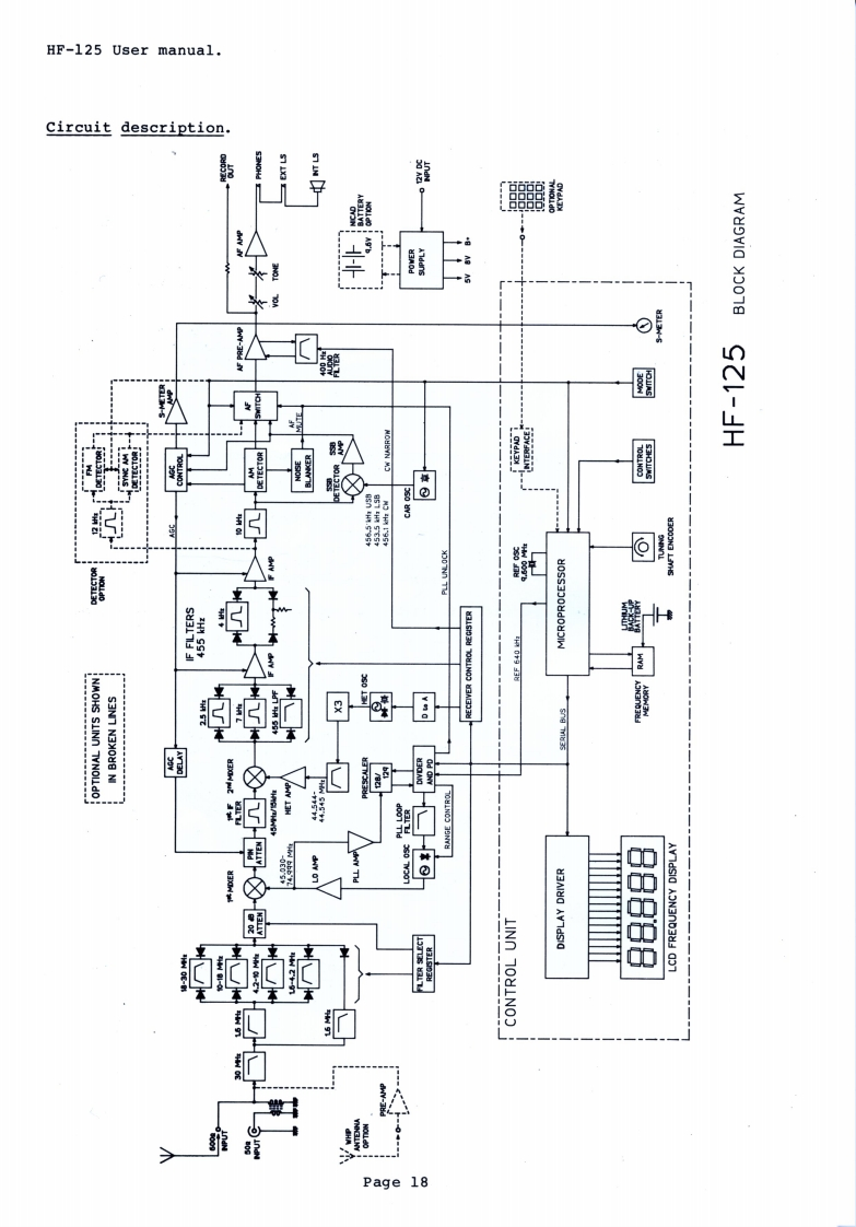
HF-125 User manual.Circuitdescription龍睡趴圍NMOHS SLINn TYNOLLdOS3N7 N3X088 N重贝图目酮圍88888膜膜}Page 18
喜欢就支持一下吧
评论 抢沙发

请登录后发表评论

    请登录后查看评论内容