Jostykit_JK105-(Schematic电器原理图手册)

Jostykit_JK105-(Schematic电器原理图手册)新质力文库 - 聚焦新质生产力发展的数字化知识库_行业洞察 / 理论成果 / 实践指南免费下载新质力文库
Jostykit_JK105-(Schematic电器原理图手册)
此内容为付费资源,请付费后查看
2936
立即购买
您当前未登录!建议登陆后购买,可保存购买订单
付费资源

第1页 / 共1页
已完成全部阅读,共1
THE END
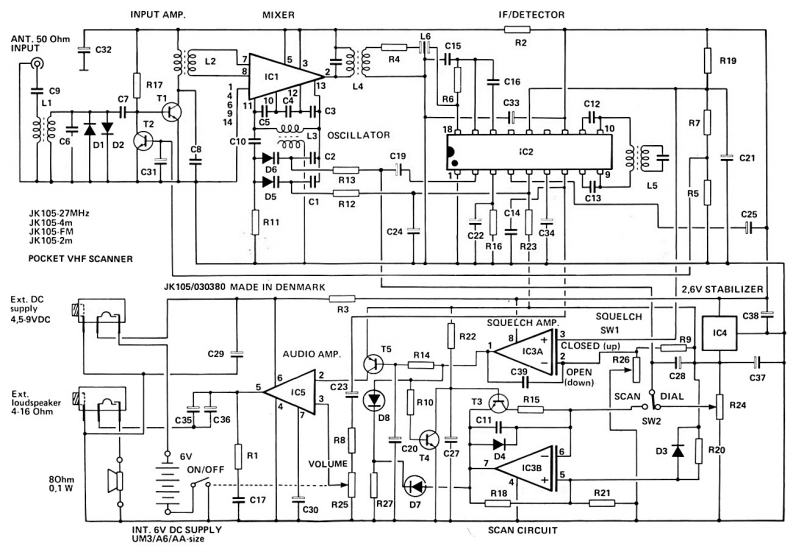
INPUT AMPMIXERIF/DETECTORANT.50 OhmINPUTC15R2L27513R4R19IC12C9R1713L4C16C7T1611R6C33C12C3T2000-10R7L3OSCILLATOR18C6D1C10=0皇C2C19●C21C31D6R13LSD5R5C1C13R12JK105-27MHzC14C25JK105-4mR11JK105-FMC24c224JK105-2mR16R23POCKET VHF SCANNERJK105/030380 MADE IN DENMARK2,6V STABILIZERExt.DCsupplyR34.5-9VDCSQUELCHC38SQUECCH AMP3SW1R22XIC4CLOSED (up】R9C29AUDIO AMP.T5R14IC3AR262C39OPEN6C28C37C23[down)Ext.1C5loudspeakerR10T3R15SCANDIALR244.160hmc35☐c36D8c11SW2RBC20D3R206VR1T47D46VOLUMEON/OFFIC3B80hm50.1WR18R21c17C30R25R27D7INT.6V DC SUPPLYSCAN CIRCUITUM3/A6/AA-size
喜欢就支持一下吧
评论 抢沙发

请登录后发表评论

    请登录后查看评论内容