艾可慕Icom_IC-2A-IC-2AT-IC-2AE-(Schematic电器原理图手册)

艾可慕Icom_IC-2A-IC-2AT-IC-2AE-(Schematic电器原理图手册)新质力文库 - 聚焦新质生产力发展的数字化知识库_行业洞察 / 理论成果 / 实践指南免费下载新质力文库
艾可慕Icom_IC-2A-IC-2AT-IC-2AE-(Schematic电器原理图手册)
此内容为付费资源,请付费后查看
2936
立即购买
您当前未登录!建议登陆后购买,可保存购买订单
付费资源

第1页 / 共1页
已完成全部阅读,共1
THE END
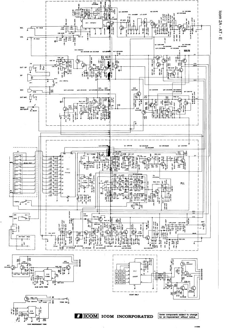
Icom 2A-AT-EMAINPLLHEONH0G2E M/TO TONEL0角ICOM ICOM INCORPORATEDSome components subloct to changeA
喜欢就支持一下吧
评论 抢沙发

请登录后发表评论

    请登录后查看评论内容