

第1页 / 共2页
试读已结束,还剩1页,您可下载完整版后进行离线阅读
THE END
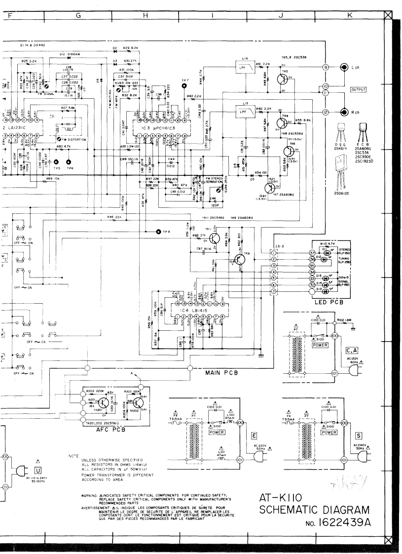
01t80542T5,2轮53622.22(9G2770228328:2K422KLLPF②ch+2T有2LA1231C2C536047351/2w12025C5368910R447K6992725460用G25D6122P4922512556G1m925A600GTP 8107cs.235⑦D13LED PCB1C4LB1415号杰500POWERC.A260MAIN PCB202220x85¥cioTm202TR20.20725c56GAFC PCBPOWEREPOWERUNLES5 OTHERWISE SPECIFIEDALL RESISTORS IN OHMS 1/4W LJP▣ALL CAPACITORS IN UF 50WV(JI8669WARNING:AT-KIIOAVERTISSEMENT品eSCHEMATIC DIAGRAMNo.I622439A
请登录后查看评论内容