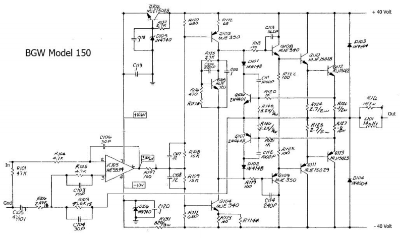
bgwmodel150schema维修电器原理图

bgwmodel150schema维修电器原理图新质力文库 - 聚焦新质生产力发展的数字化知识库_行业洞察 / 理论成果 / 实践指南免费下载新质力文库
bgwmodel150schema维修电器原理图
此内容为付费资源,请付费后查看
1929
立即购买
您当前未登录!建议登陆后购买,可保存购买订单
付费资源

第1页 / 共1页
已完成全部阅读,共1
THE END
+40 Volt88RIR院4230D03ao8W44BGW Model 150a110M址5028C19me/学8/2怒looop20R/4RRI+SRIZGR/26HV及2W知Out院30P22色R04架9/347M)15成5In0SR0147KMe553洲R/07ME/5029DI04/5KME550[ovN9004Gnd/PO为ME340240P970認7133/-40 Volt
喜欢就支持一下吧
评论 抢沙发

请登录后发表评论

    请登录后查看评论内容