

第1页 / 共2页
试读已结束,还剩1页,您可下载完整版后进行离线阅读
THE END
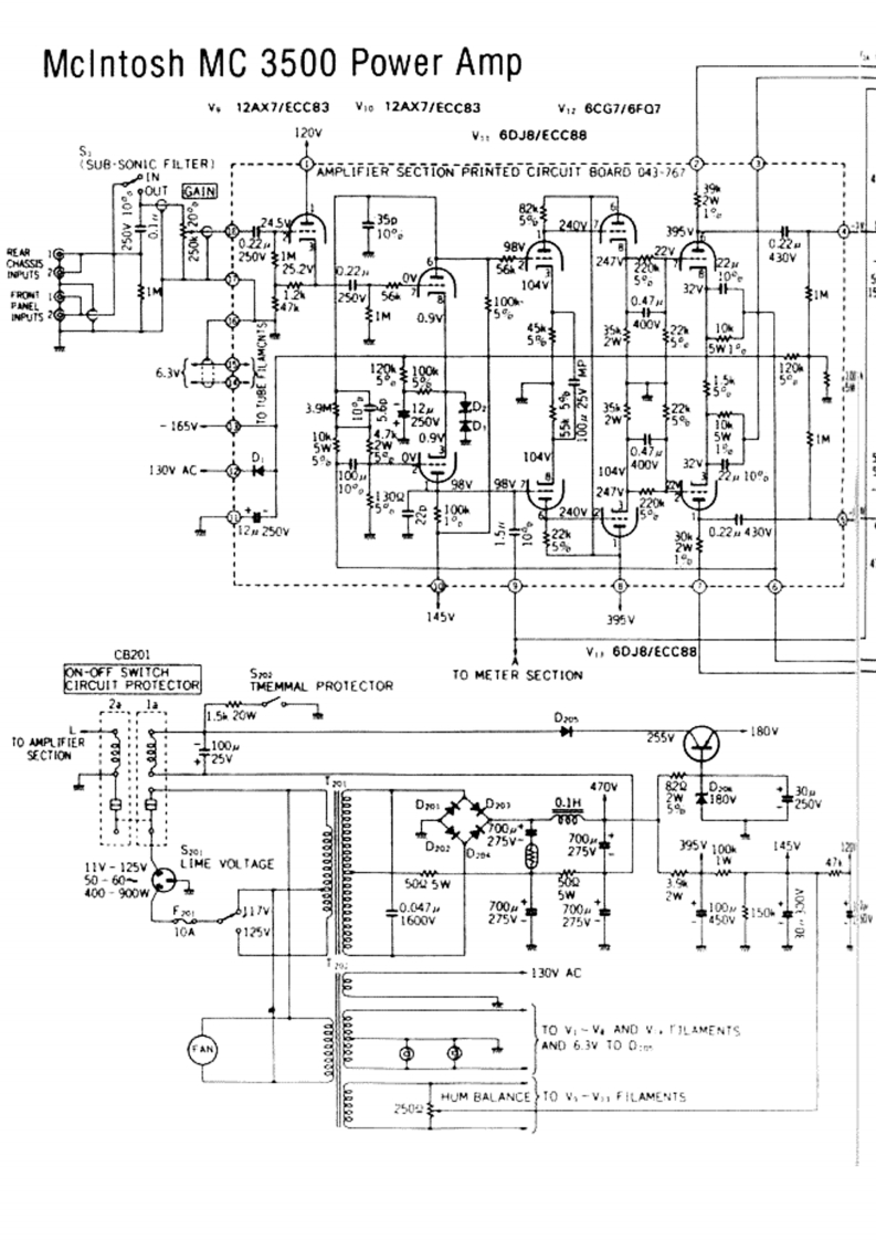
Mclntosh MC 3500 Power AmpV.12AX7/ECC83Vio 12AX7/ECC83V:6CG7/6F07120V::6DJ8/ECC88(SUB-SON1 C FILTER】0INAMPLIFIER SECTION PRINTED CIRCUIT BOARD 043-767POUT GAIN24524010°98022CHASSIS247mD22然才22130INPUTS32100IM0.9凳针针5w196.3器3912平D35-165V250w4.7h0.9104Y130V AC-400V3221091024712u250y30022u430V395VCB201V,6DJ8/ECC88ON-OFF SWITCHTO METER SECTIONCIRCUIT PROTECTORTHEMMAL PROTECTOR2.,1..r1.5h2w180TO AMPLIF IER-1004S交CTION470Y820D01D10.1H700Dro:275048395Y100111V-125VVOL TAGE5005w400-900W35W2w.0.0474700u70041600w275V275v100w35010A9125y130V ACTO Vi-V AND V.JLAMENTSANAN06.3VT00:=HUM BALANCETO V,-V FILAMENTS2509
请登录后查看评论内容