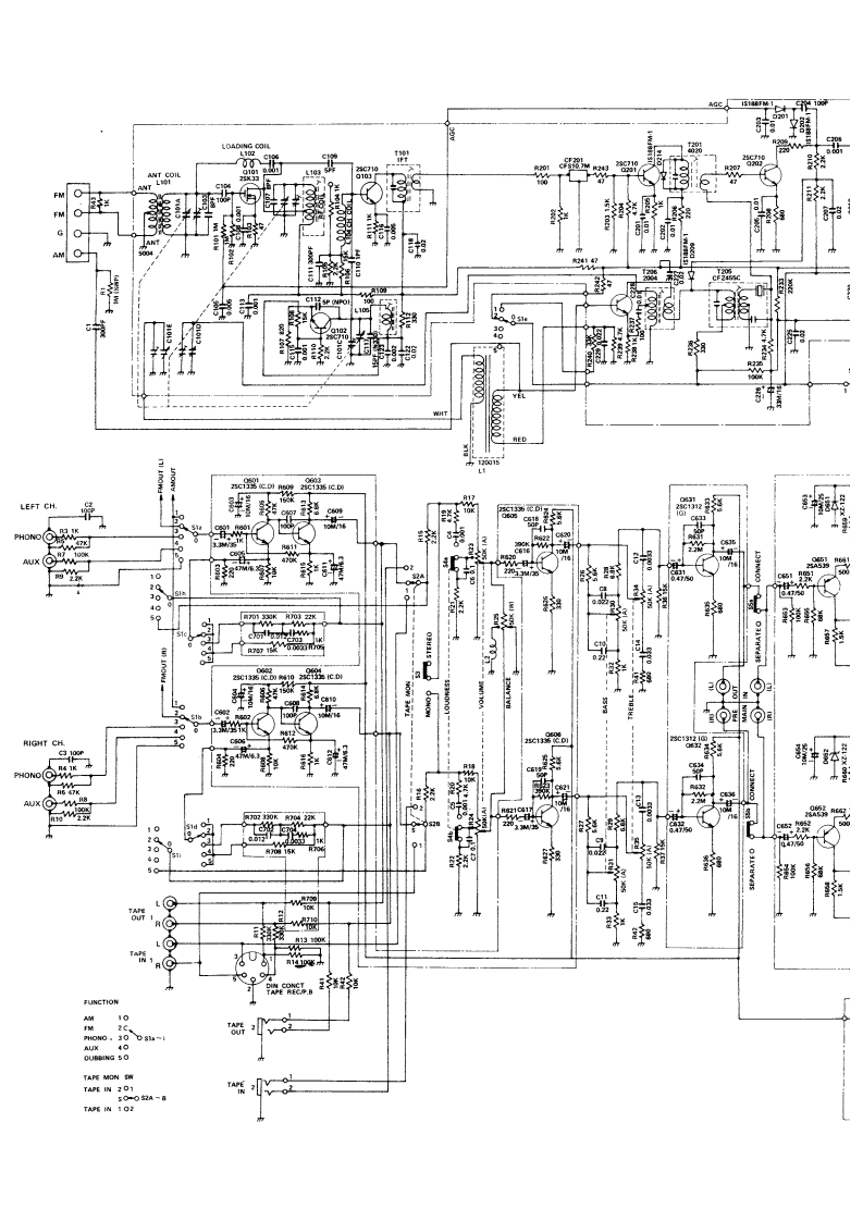
nikko_sta-5010_sch维修电器原理图

nikko_sta-5010_sch维修电器原理图新质力文库 - 聚焦新质生产力发展的数字化知识库_行业洞察 / 理论成果 / 实践指南免费下载新质力文库
nikko_sta-5010_sch维修电器原理图
此内容为付费资源,请付费后查看
1929
立即购买
您当前未登录!建议登陆后购买,可保存购买订单
付费资源

第1页 / 共2页
试读已结束,还剩1页,您可下载完整版后进行离线阅读
THE END
1c051/1REDLEFT CH10870139米022球c南白:RIGHT CH02相27w8R海1K450139@2FUNCTIONAM10PHONO-.~ioTAMNSTAPE IN 201TAPE IN IO2
喜欢就支持一下吧
评论 抢沙发

请登录后发表评论

    请登录后查看评论内容