

第1页 / 共2页
试读已结束,还剩1页,您可下载完整版后进行离线阅读
THE END
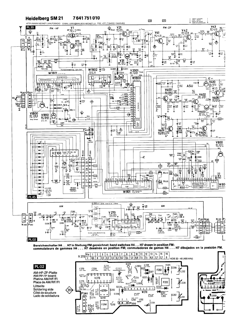
Heidelberg SM 217641751010四HTTP:/WNEONET.LVIAUTORADIO EMAIL:JURISOMAILBOX.NECNETLV FAX:+371 7184532/24HOURSPL20FM-HFV2FM-ZFV43V41W11知中W1B020201W1801¥209M1800nASUV400V402中器平99y18106x800y2100计中心中中中W80W801网PL45AMAM中鞋群P0D20的PL02Bereichsschalter H4...H7 in Stellung FM gezeichnet:band switches H4..H7 drawn in position FM:commutateurs de gammes H4...H7 dessines en position FM;conmutadores de gamas H4...H7 dibujados en la posicion FM270Pi12356789101121311516V50222222020236535222。koB3245(455kHzPL02G205205,L200L〔0C228G2722221C205AM-HF-ZF-Platte2±020F203AM/RF/IF board.Platine AM/HF/月¥27022]224Placa de AM/RF/FIC275g2654121月C221Lotseite21有0Z00Soldering side224m02502201755↓321Cote de soudureP280W270220Lado de soldadura032022740250120XX XP200
请登录后查看评论内容