pk-1101control1board电器原理图

pk-1101control1board电器原理图新质力文库 - 聚焦新质生产力发展的数字化知识库_行业洞察 / 理论成果 / 实践指南免费下载新质力文库
pk-1101control1board电器原理图
此内容为付费资源,请付费后查看
2939
立即购买
您当前未登录!建议登陆后购买,可保存购买订单
付费资源

第1页 / 共1页
已完成全部阅读,共1
THE END
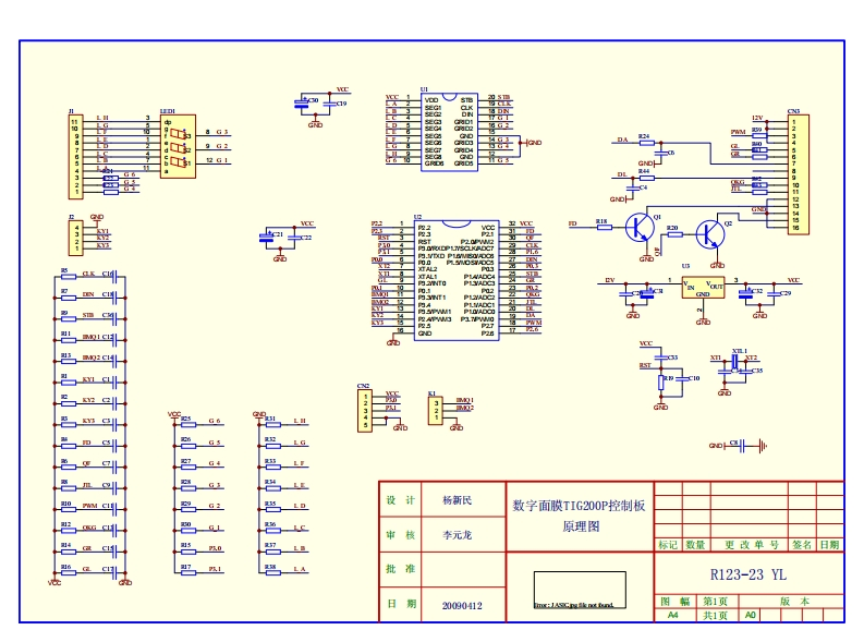
L10为8G59G1G156789012486212卫RSTP2.0PW2DpL欢NAOG00对2XALIPC4两2T002m“a巴62设计杨新民数字面膜TIG200P控制板巴山色1原理图审海李元龙巴山标记数量更改单号签名日期批准R123-23YL9期20090412图幅第1页版本AA共1页AO
喜欢就支持一下吧
评论 抢沙发

请登录后发表评论

    请登录后查看评论内容