Start1MIG133011(1)电器原理图

Start1MIG133011(1)电器原理图新质力文库 - 聚焦新质生产力发展的数字化知识库_行业洞察 / 理论成果 / 实践指南免费下载新质力文库
Start1MIG133011(1)电器原理图
此内容为付费资源,请付费后查看
2939
立即购买
您当前未登录!建议登陆后购买,可保存购买订单
付费资源

第1页 / 共3页
试读已结束,还剩2页,您可下载完整版后进行离线阅读
THE END
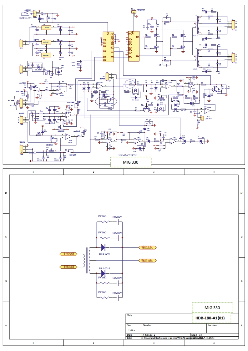
宇主0HK-63-C2.SCHMIG 330234103/KV1031KC极○主变次级D92-0位*5C预及○王变次级9BMIG 330HDB-180-A1(01ARevision14.Sp-012Sheet of5e:DAProgram Files Design Explorer99 SEE amEA14.DDB224
喜欢就支持一下吧
评论 抢沙发

请登录后发表评论

    请登录后查看评论内容