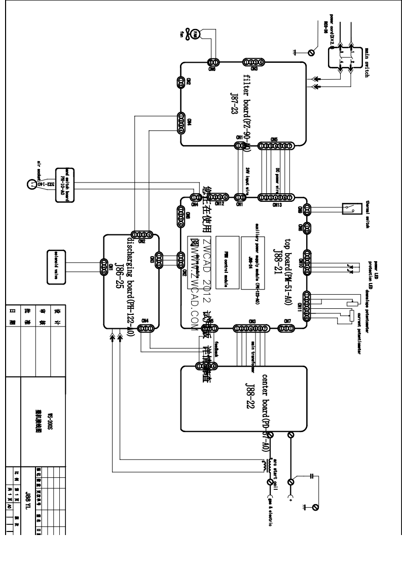
TIG205S1J88-schematic1drawing电器原理图

TIG205S1J88-schematic1drawing电器原理图新质力文库 - 聚焦新质生产力发展的数字化知识库_行业洞察 / 理论成果 / 实践指南免费下载新质力文库
TIG205S1J88-schematic1drawing电器原理图
此内容为付费资源,请付费后查看
2939
立即购买
您当前未登录!建议登陆后购买,可保存购买订单
付费资源

第1页 / 共2页
试读已结束,还剩1页,您可下载完整版后进行离线阅读
THE END
0000main sritch18T-23CN1filter board(PZ-90-)BCUG⑦-0000000G13186-25J88-21top board (PM-51-A0)四必贴discharging board(PH-122-0)WWW.ZWCAD.CON妻平000000000@788-228roa8o水
喜欢就支持一下吧
评论 抢沙发

请登录后发表评论

    请登录后查看评论内容