САИ-190ПРОФ1开关电源及驱动1V1.0电器原理图

САИ-190ПРОФ1开关电源及驱动1V1.0电器原理图新质力文库 - 聚焦新质生产力发展的数字化知识库_行业洞察 / 理论成果 / 实践指南免费下载新质力文库
САИ-190ПРОФ1开关电源及驱动1V1.0电器原理图
此内容为付费资源,请付费后查看
2939
立即购买
您当前未登录!建议登陆后购买,可保存购买订单
付费资源

第1页 / 共1页
已完成全部阅读,共1
THE END
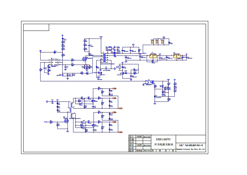
D升50121ENDU160PFC开关电源及驱动上寿广拓清电翠有限会司标化准锋1第2风共7风hanghai Cammay kp Pores瓜,LM
喜欢就支持一下吧
评论 抢沙发

请登录后发表评论

    请登录后查看评论内容