САИ1901原理图1V4.01第1页电器原理图

САИ1901原理图1V4.01第1页电器原理图新质力文库 - 聚焦新质生产力发展的数字化知识库_行业洞察 / 理论成果 / 实践指南免费下载新质力文库
САИ1901原理图1V4.01第1页电器原理图
此内容为付费资源,请付费后查看
2939
立即购买
您当前未登录!建议登陆后购买,可保存购买订单
付费资源

第1页 / 共1页
已完成全部阅读,共1
THE END
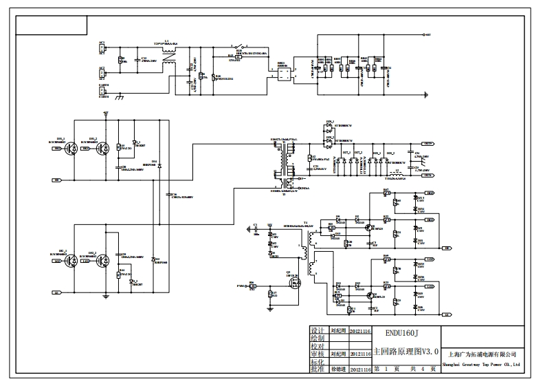
自D■1D设计刻起圆026ENDU160.J绘刮校对审核刘纪周2D12111主回路原理图V3.0上海广为拓浦电薄有限公司标化批准ghi Great wry【op Power0m,Ltd徐德进20211心第】负共4
喜欢就支持一下吧
评论 抢沙发

请登录后发表评论

    请登录后查看评论内容