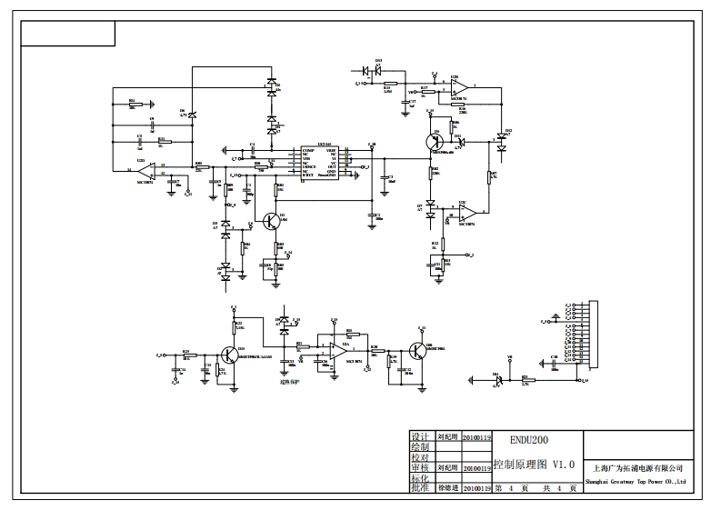
САИ2501控制电路原理图1V1.0电器原理图

САИ2501控制电路原理图1V1.0电器原理图新质力文库 - 聚焦新质生产力发展的数字化知识库_行业洞察 / 理论成果 / 实践指南免费下载新质力文库
САИ2501控制电路原理图1V1.0电器原理图
此内容为付费资源,请付费后查看
2939
立即购买
您当前未登录!建议登陆后购买,可保存购买订单
付费资源

第1页 / 共1页
已完成全部阅读,共1
THE END
设计划起周2010绘乱ENDU200校审核刘纪周20019控制原理图V1.0上海广为拓浦电源有限公司标化中ai Greatury Top Power00.,Ltd批准除德进2011第4页共4页
喜欢就支持一下吧
评论 抢沙发

请登录后发表评论

    请登录后查看评论内容