

第1页 / 共17页

第2页 / 共17页
试读已结束,还剩15页,您可下载完整版后进行离线阅读
THE END
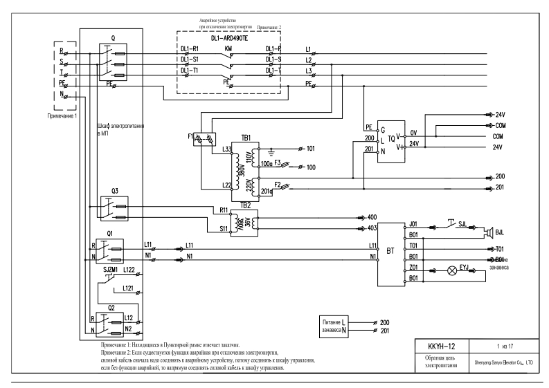
Aaopeloe yrpofcno耳6口w国2U5印e卷q年m2DL1-ARD490TE1-R1KMDL1-R11-S1DL1-91-T11-fL3L0-24Vka 3nekTponraHvPE G-COMTB1COM24WL3310120N24W100f3g100200032多201g-201TB2R110001S117-4031B01H(BLL1I01◆-01NIBTB01780es2W1L122201302E01LL121Q2RL12DTaHneg200N2201piHne上Hh0I8 B DyHKTHD3首PaV深OT3CT3aHHEKKYH-121阳17pH上Ec CyUCTyETC y p阳iS吓附0 KB04CH图3Os可cprG用onoii saben cana0 CO.UTK1 pinowy ycn可oicT,3 ToMy coc.UTK LK事paIH风0r2kp0EI2H圈Semy8rol.0以,LTDe围6 yKUI aBapiH道,TD围py0 OOHHCRO足BrU办y3pRH区
请登录后查看评论内容