

第1页 / 共3页

第2页 / 共3页
试读已结束,还剩1页,您可下载完整版后进行离线阅读
THE END
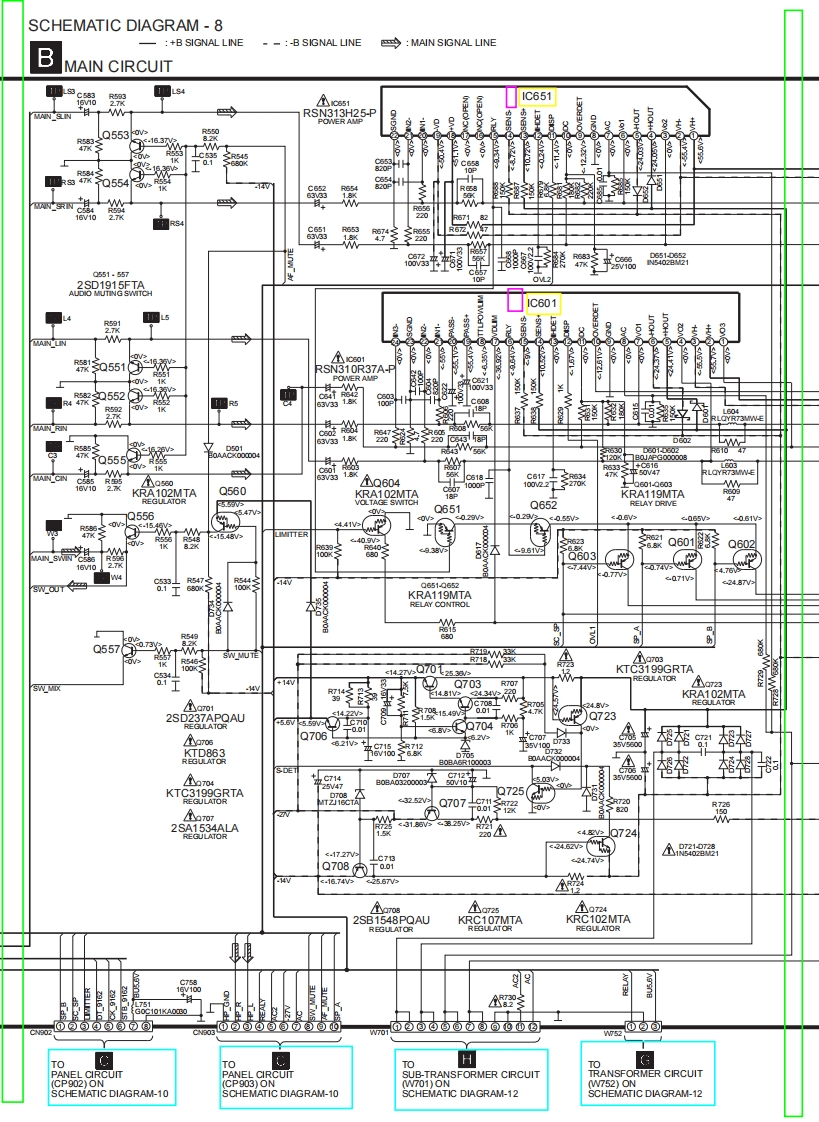
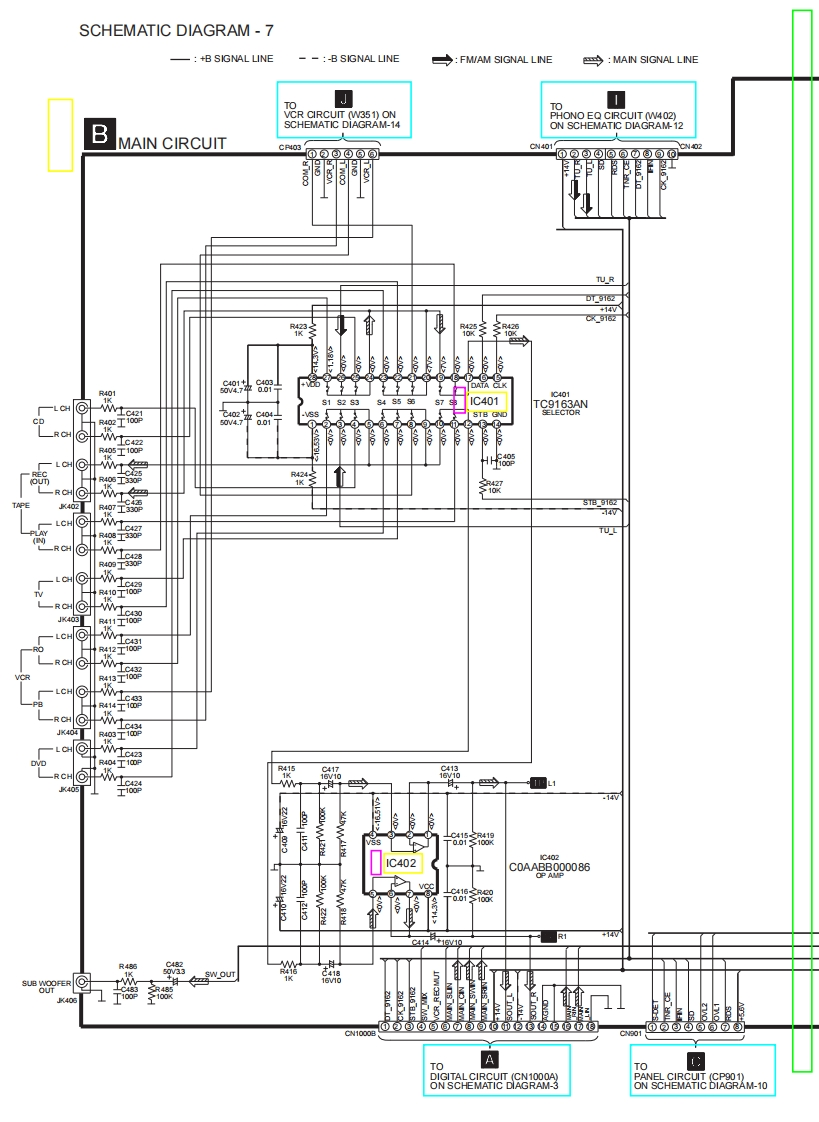
SCHEMATIC DIAGRAM-7一:+B SIGNAL LINE--:-B SIGNAL LINE→:FM/AM SIGNAL LINEMAIN SIGNAL LINEJHONO EQ CIRCUIT (W402)BMAIN CIRCUITCN401℃402TU_RDT916位+14W+ATA CUK4015152S3IC401TC9163AN40mtSTB GNLCHRCHK40247TU L-RCH10Ti6LCH器ROJK4@R404工1orRCH器14Ve402I1C402COAABB000086OP AMPR48C1000TaTO89g8S199gPANEL CIRCUIT(CP901)ON SCHEMATIC DIAGRAM-10
请登录后查看评论内容