

第1页 / 共39页

第2页 / 共39页

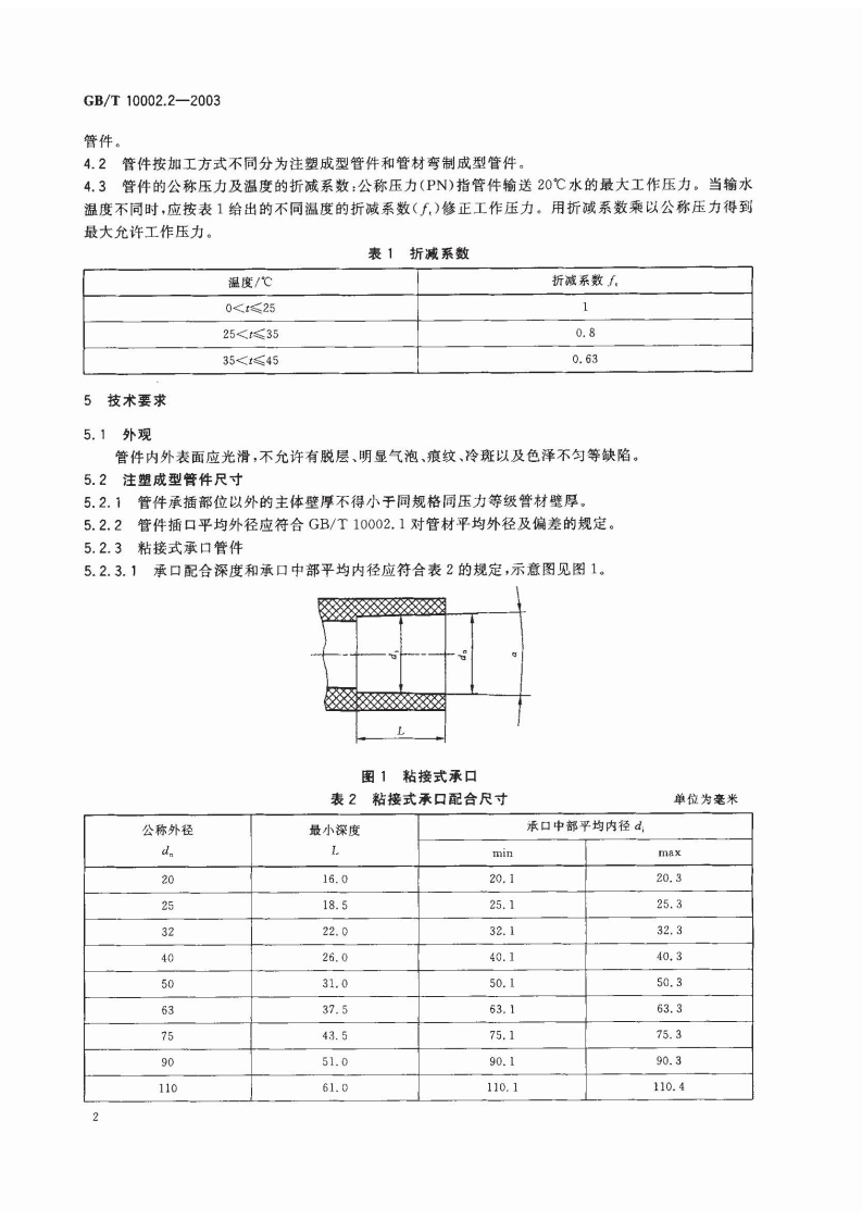
第3页 / 共39页

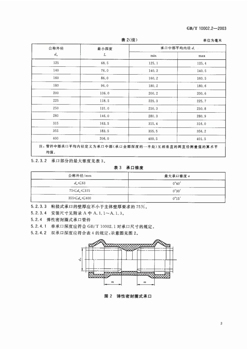
第4页 / 共39页

第5页 / 共39页
试读已结束,还剩34页,您可下载完整版后进行离线阅读
THE END
GB/T10002.2-2003目次前言…4…瓜1范围12规范性引用文件3材料…4产品分类004044404444444+…5技术要求26试验方法67检验规则8标志、包装、运输、贮存……………4……4…………………附录A(资料性附录)管件安装尺寸………9附录B(规范性附录)系统适应性试验方法……………26附录C(资料性附录)本部分章条编号与1S04422-3:1996章条对照…35附录D(资料性附录)本部分与1S04422-3:1996技术性差异及其原因…36
请登录后查看评论内容