JG225-2007

JG225-2007新质力文库 - 聚焦新质生产力发展的数字化知识库_行业洞察 / 理论成果 / 实践指南免费下载新质力文库
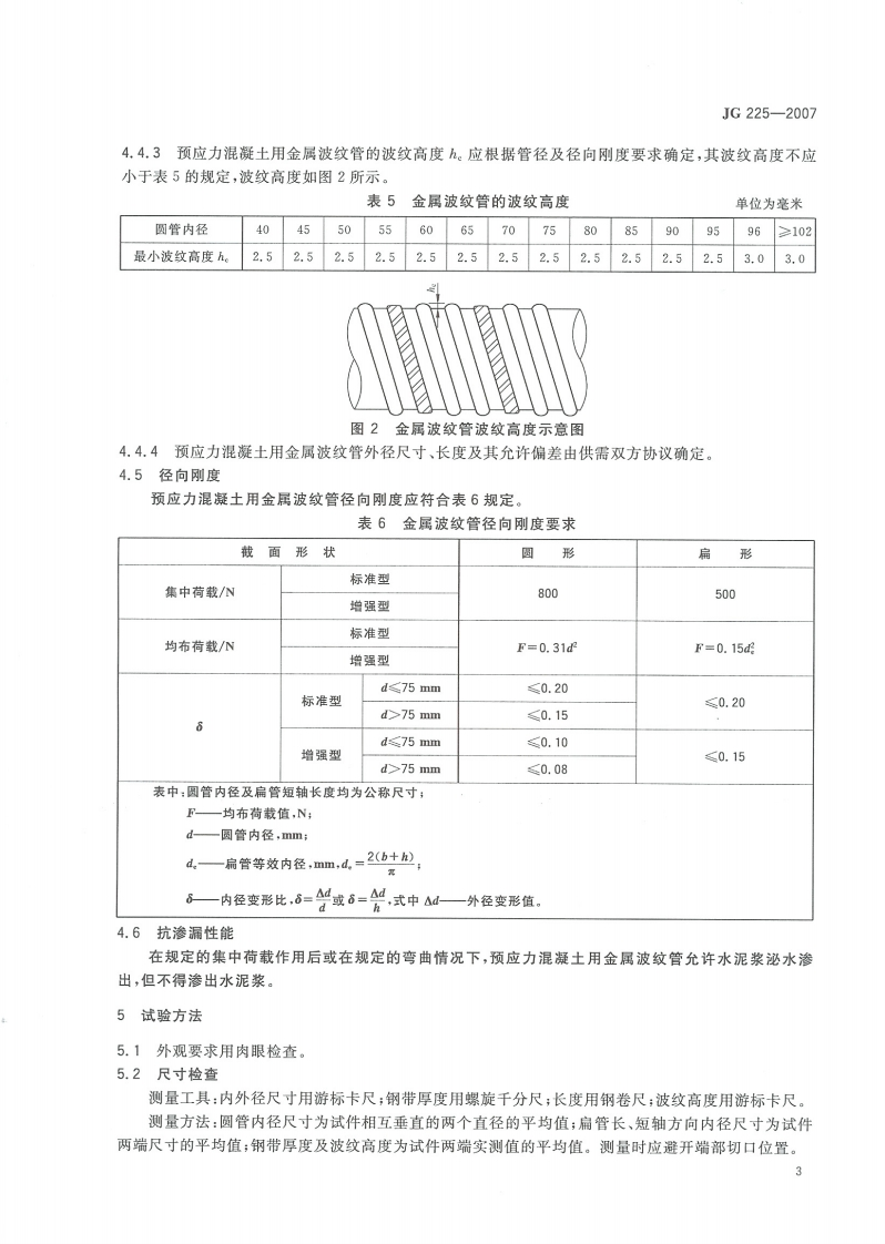
JG225-2007
此内容为付费资源,请付费后查看
2336
立即购买
您当前未登录!建议登陆后购买,可保存购买订单
付费资源

第1页 / 共11页

第2页 / 共11页

第3页 / 共11页

第4页 / 共11页

第5页 / 共11页
试读已结束,还剩6页,您可下载完整版后进行离线阅读
THE END
G中华人民共和国建筑工业行业标准JG225-2007代替JG/T3013一1994预应力混凝土用金属波纹管Corrugated metal ducts for prestressed concrete2007-09-04批准2008-02-01实施中华人民共和国建设部发布
喜欢就支持一下吧
评论 抢沙发

请登录后发表评论

    请登录后查看评论内容