

第1页 / 共8页

第2页 / 共8页

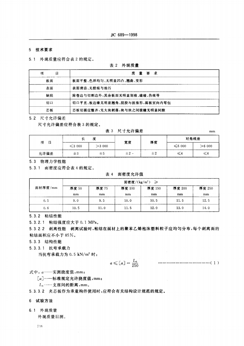
第3页 / 共8页

第4页 / 共8页

第5页 / 共8页
试读已结束,还剩3页,您可下载完整版后进行离线阅读
THE END
JC689-1998前言本标准是在总结金属面聚苯乙烯夹芯板十多年来生产、使用实践经验、吸取科学研究成果的基础上制定的。无同类产品的国外标准可参考。金属面聚苯乙烯夹芯板主要用于工业与民用建筑及一些商业性设施上,所以标准规定的技术要求应满足上述使用的需要,试验方法尽可能与现行的建筑构件质量评定标准相一致,以使检测结果具有科学性、准确性与可比性。本标准由全国绝热材料标准化技术委员会提出并归口。本标准由中国绝热隔音材料协会、国家建筑材料工业局标准化研究所、冶金部建筑研究总院负责起草。本标准参加起草单位:北京轻联塑料集团公司新型建材冷藏设备厂、上海晓宝轻质建材有限公司、江苏苏州工业园区新发建筑构件有限责任公司、浙江华能轻型建筑工程有限公司、浙江东阳新型建筑建材工业总公司、上海大地彩钢有限公司、云南昆明三融塑料制品有限公司、浙江上虞新型墙体材料厂、上海八一百盛空调设备有限公司、江苏连云港市新星建材厂、北京华都宝拉建筑板材有限公司、上海保成机械工业有限公司,沈阳市塑料十二厂、江苏张家港京沙钢制品有限公司、江苏宜兴市华能轻质建材有限公司、浙江杭州东南新颖建筑板材有限公司、江苏常熟常盛轻质建材厂、天津万力园实业有限公司、成都大兴轻质建材有限公司、河北省邢台晶牛公司新型建材厂、江苏武进市东宝钢结构工程有限公司、上海水明机械制造有限公司、山东晓宝轻质建材有限公司、太原市笙华轻型建材厂。本标准主要起草人:杨斌、张德信、胡小媛、谢如荣、杨洪祺、张浩东、徐伯铨、郭明明、赵焕林、庞小平。736
请登录后查看评论内容