变形铝、镁及其合金加工制品拉伸试验用试样及方法Testpiecesandmethodfortensiletestforwroughtaluminiumandmagnesiumalloysproducts

变形铝、镁及其合金加工制品拉伸试验用试样及方法Testpiecesandmethodfortensiletestforwroughtaluminiumandmagnesiumalloysproducts新质力文库 - 聚焦新质生产力发展的数字化知识库_行业洞察 / 理论成果 / 实践指南免费下载新质力文库
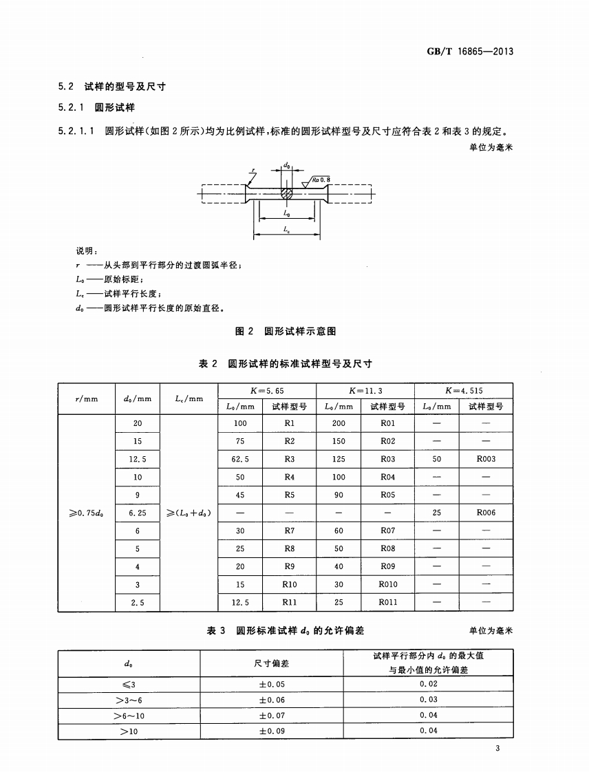
变形铝、镁及其合金加工制品拉伸试验用试样及方法Testpiecesandmethodfortensiletestforwroughtaluminiumandmagnesiumalloysproducts
此内容为付费资源,请付费后查看
2336
立即购买
您当前未登录!建议登陆后购买,可保存购买订单
付费资源

第1页 / 共18页

第2页 / 共18页

第3页 / 共18页

第4页 / 共18页

第5页 / 共18页
试读已结束,还剩13页,您可下载完整版后进行离线阅读
THE END
ICS77.040.10H22GB中华人民共和国国家标准GB/T16865-2013代替GB/T16865一1997变形铝、镁及其合金加工制品拉伸试验用试样及方法Test pieces and method for tensile test for wroughtaluminium and magnesium alloys products2013-09-06发布2014-05-01实施中华人民共和国国家质量监督检验检疫总局发布中国国家标准化管理委员会
喜欢就支持一下吧
评论 抢沙发

请登录后发表评论

    请登录后查看评论内容