树脂浇铸体性能试验方法Testmethodsforpropertiesofresincastingbody

树脂浇铸体性能试验方法Testmethodsforpropertiesofresincastingbody新质力文库 - 聚焦新质生产力发展的数字化知识库_行业洞察 / 理论成果 / 实践指南免费下载新质力文库
树脂浇铸体性能试验方法Testmethodsforpropertiesofresincastingbody
此内容为付费资源,请付费后查看
2336
立即购买
您当前未登录!建议登陆后购买,可保存购买订单
付费资源

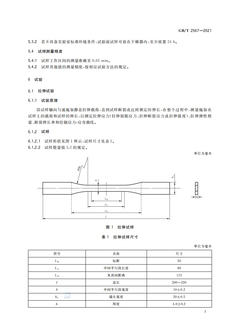
第1页 / 共21页

第2页 / 共21页

第3页 / 共21页

第4页 / 共21页

第5页 / 共21页
试读已结束,还剩16页,您可下载完整版后进行离线阅读
THE END
ICS83.120CCS Q 23B中华人民共和国国家标准GB/T2567-2021代替GB/T2567一2008树脂浇铸体性能试验方法Test methods for properties of resin casting body2021-08-20发布2022-03-01实施国家市场监督管理总局发布国家标准化管理委员会
喜欢就支持一下吧
评论 抢沙发

请登录后发表评论

    请登录后查看评论内容