

第1页 / 共10页

第2页 / 共10页

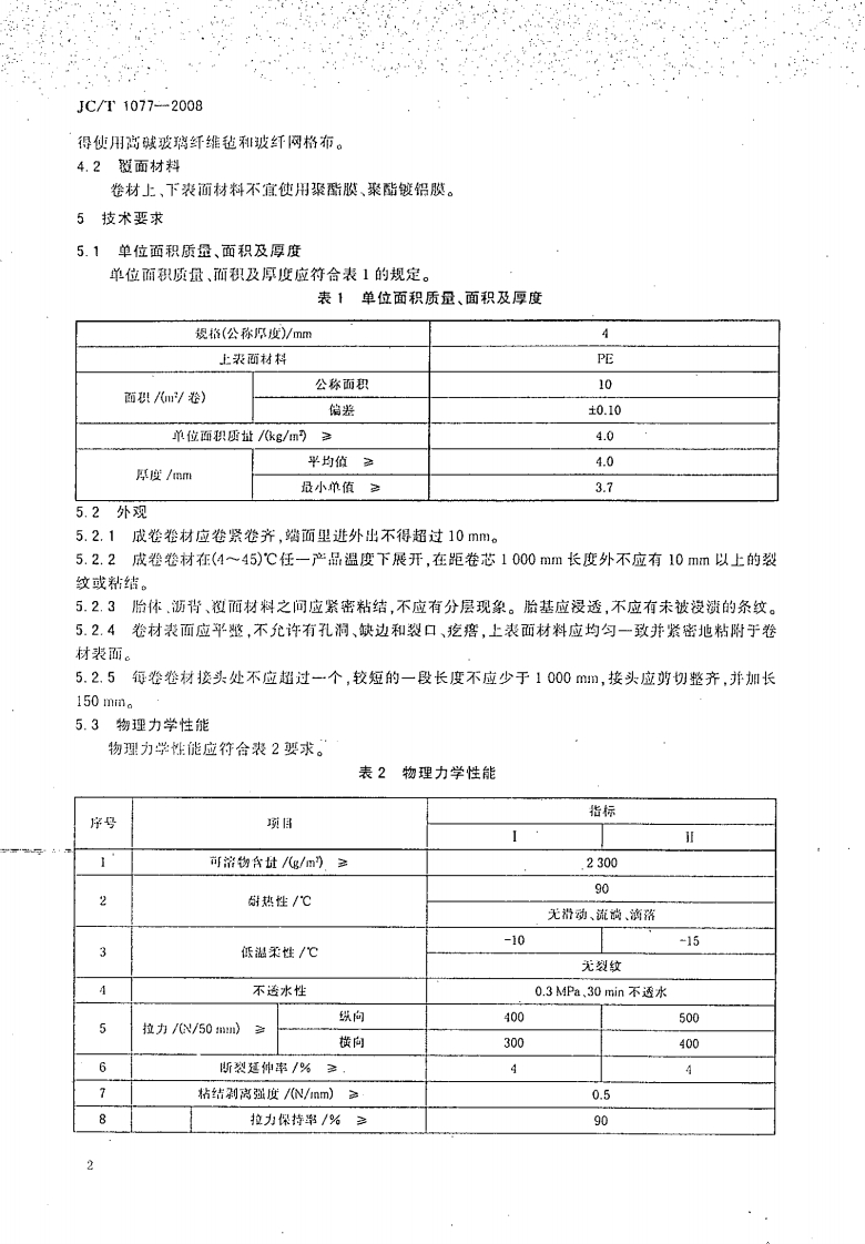
第3页 / 共10页

第4页 / 共10页

第5页 / 共10页
试读已结束,还剩5页,您可下载完整版后进行离线阅读
THE END
ICS91120.30Q17·备案号:22947-2008JC中华人民共和国建材行业标准JC/T1077一2008胶粉改性沥青玻纤毡与聚乙烯膜增强防水卷材Reclaim crumb rubber modified bituminous waterproofing sheet using acombinative reinforcement of glass felt and polyethylene2008-02-01发布2008-07-01实施中华人民共和国国家发展和改革委员会发布
请登录后查看评论内容