TTAF083—2022第1号修改单《移动终端融合快速充电技术规范》第1号修改单

TTAF083—2022第1号修改单《移动终端融合快速充电技术规范》第1号修改单新质力文库 - 聚焦新质生产力发展的数字化知识库_行业洞察 / 理论成果 / 实践指南免费下载新质力文库
TTAF083—2022第1号修改单《移动终端融合快速充电技术规范》第1号修改单
此内容为付费资源,请付费后查看
1323
立即购买
您当前未登录!建议登陆后购买,可保存购买订单
付费资源

第1页 / 共2页

第2页 / 共2页
已完成全部阅读,共2
THE END
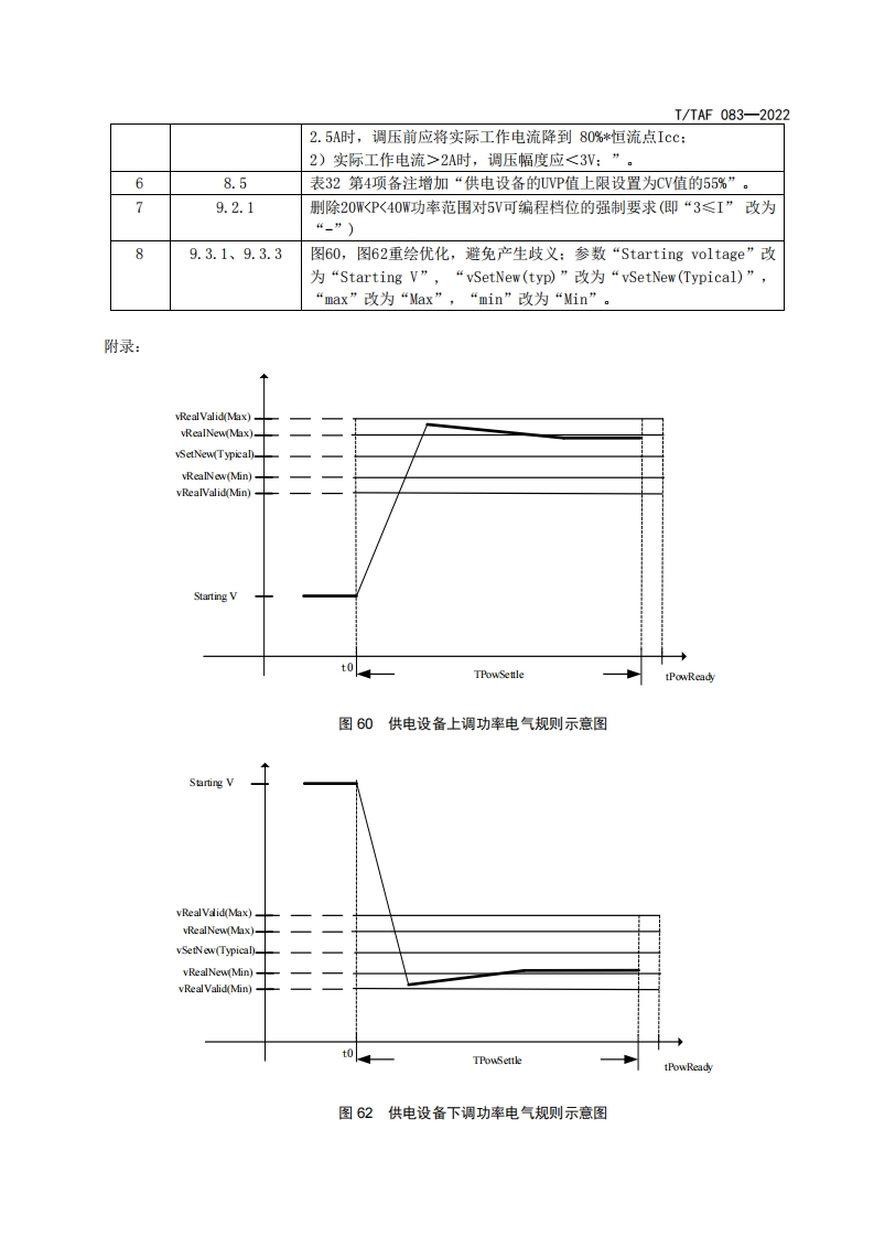
T/TAF083-2022电信终端产业协会团体标准修改通知单T/TAF083一2022《移动终端融合快速充电技术规范》第1号修改单一、编辑性修改序号标准条文号内容16.4.6“充电设备后续应以57600bs波特率发送消总”改为“供电设备后续应以57600bps波特率发送消息”7.2.4.13图38 Test_Requesti消息结构原内容有误,“厂家ID”改为“Test_Request'”,数据“1~253字节”改为“2字节”。酒琴特(e鲶ai)二、技术性修改序号标准条文号内容(如无特殊说明,修政内容适用于版本1.0及后续版本)15.2.2表4中的“0.5V”改为“0.6V”。26.4.6增加“如果要切换波特率的话,发起方只用pig消息通知对方切换波特率。”:27.2.2b)消息编号原内容删除,改为“设备在接收消息的时候,不判断消息编号是否变化。建议设备在发送消息的时候,消息编号都设置为0。”(注意:以下修改内容仅适用于版本1.01)协议版本编号由“000001b”改为“010001b”,“初始版本1.0”改为“版本1.01”,c)协议版本增加描述“V1.01版本内容,对应版本编号为010001b,为保证兼容性,低2bit指代大版本V1,中间2bit指代中版本0,高2bit指代小版本1:”。7.2.4.5(注意:以下修改内容适用于版本1.01及后续版本)图30线缆信息由“8字节”改为“10字节”b)数据长度:“8个字节”改为“10个字节”,数据长度设置为“8”改为“10”:表20:“63…48”改为“79…64”,“47…32”改为“63…48”,“15…8”改为“31…16”,“7…0”改为“15…0”,“单位1V”改为“单位10mV”,“单位1A”改为“单位10mA”。58.2.2.4增加“调整功率时需要遵循以下要求:1)调压幅度≥V时:恒流点Icc>2.5A时,调压前应将实际工作电流降到2A及以下:恒流点IcC≤
喜欢就支持一下吧
评论 抢沙发

请登录后发表评论

    请登录后查看评论内容