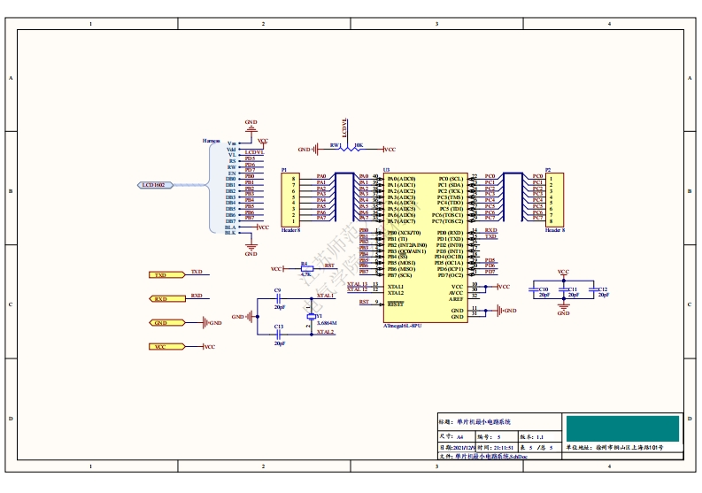
片机系统LCD1602显示电路U单机系统LCD1602显示电路.SchDocLCD1602U单片机最小电路系统单片机最小电路系统.SchDocLCD16(VCCGNDTXDRXDB电泗源电路电路.SchDocVCC统串口通信电路串口通信电路.SchDocU单片机系单片机系统VCCRXD

片机系统LCD1602显示电路U单机系统LCD1602显示电路.SchDocLCD1602U单片机最小电路系统单片机最小电路系统.SchDocLCD16(VCCGNDTXDRXDB电泗源电路电路.SchDocVCC统串口通信电路串口通信电路.SchDocU单片机系单片机系统VCCRXD新质力文库 - 聚焦新质生产力发展的数字化知识库_行业洞察 / 理论成果 / 实践指南免费下载新质力文库
片机系统LCD1602显示电路U单机系统LCD1602显示电路.SchDocLCD1602U单片机最小电路系统单片机最小电路系统.SchDocLCD16(VCCGNDTXDRXDB电泗源电路电路.SchDocVCC统串口通信电路串口通信电路.SchDocU单片机系单片机系统VCCRXD
此内容为付费资源,请付费后查看
1929
立即购买
您当前未登录!建议登陆后购买,可保存购买订单
付费资源

第1页 / 共10页

第2页 / 共10页

第3页 / 共10页

第4页 / 共10页

第5页 / 共10页
试读已结束,还剩5页,您可下载完整版后进行离线阅读
THE END
14A件终笑件时界委接eLCDI6C目电尊电路单片框系统申口场信电路02电hn不叶机系梦中口领路3如✉XD一电气学院江e除避:单叶机系旅来:11日:立1/12N时同:21日51表1/5单位地址:利山区上0号文:单片店h园24
喜欢就支持一下吧
评论 抢沙发

请登录后发表评论

    请登录后查看评论内容