GB5101-代替(B_T510)烧普结通砖Firedcommonbricks

GB5101-代替(B_T510)烧普结通砖Firedcommonbricks新质力文库 - 聚焦新质生产力发展的数字化知识库_行业洞察 / 理论成果 / 实践指南免费下载新质力文库
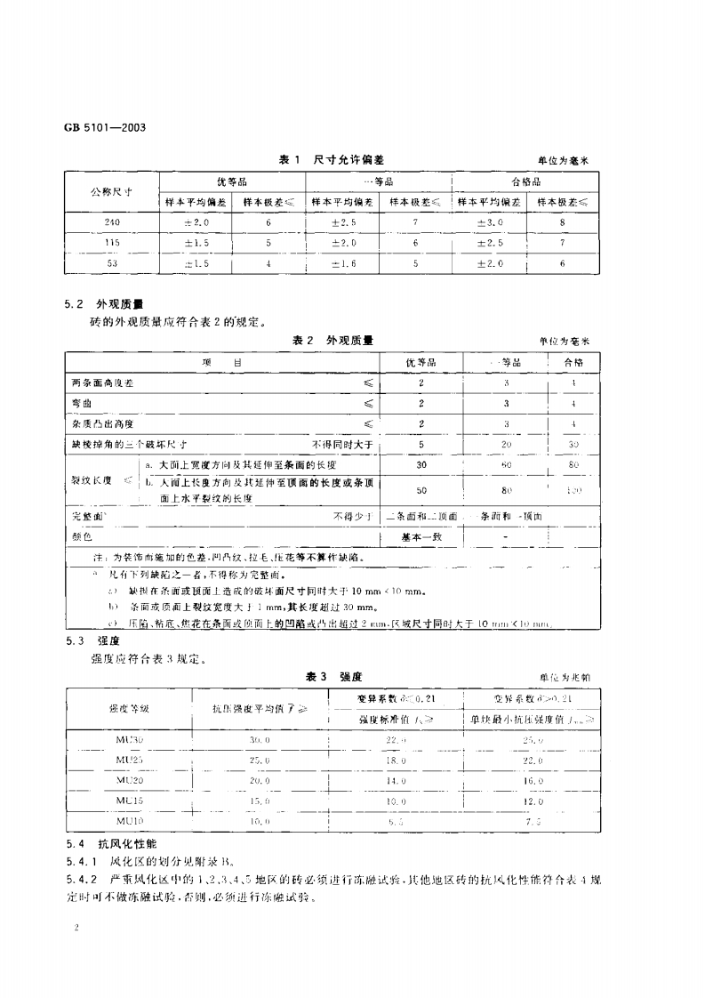
GB5101-代替(B_T510)烧普结通砖Firedcommonbricks
此内容为付费资源,请付费后查看
1319
立即购买
您当前未登录!建议登陆后购买,可保存购买订单
付费资源

第1页 / 共11页

第2页 / 共11页

第3页 / 共11页

第4页 / 共11页

第5页 / 共11页
试读已结束,还剩6页,您可下载完整版后进行离线阅读
THE END
1CS91.100.20Q15中华人民共和国国家标准GB5101-2003代替GBT51011998烧结普通砖Fired common bricks2003-04-29发布2004-04-01实施小华人民共和国国家质量监督检验检疫总局发布
喜欢就支持一下吧
评论 抢沙发

请登录后发表评论

    请登录后查看评论内容