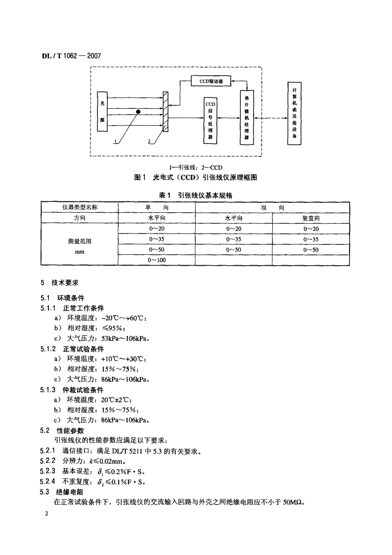
光电式(CCD)引张线仪Photoelectrictype(CCD)wirealignmenttelemeter

光电式(CCD)引张线仪Photoelectrictype(CCD)wirealignmenttelemeter新质力文库 - 聚焦新质生产力发展的数字化知识库_行业洞察 / 理论成果 / 实践指南免费下载新质力文库
光电式(CCD)引张线仪Photoelectrictype(CCD)wirealignmenttelemeter
此内容为付费资源,请付费后查看
1319
立即购买
您当前未登录!建议登陆后购买,可保存购买订单
付费资源

第1页 / 共9页

第2页 / 共9页

第3页 / 共9页

第4页 / 共9页

第5页 / 共9页
试读已结束,还剩4页,您可下载完整版后进行离线阅读
THE END
ICS27.120.20N31备案号:21269-2007DL中华人民共和国电力行业标准DL/T1062-2007光电式(CCD)引张线仪Photoelectric type(CCD)wire alignment telemeter2007-07-20发布2007-12-01实施中华人民共和国国家发展和改革委员会发布
喜欢就支持一下吧
评论 抢沙发

请登录后发表评论

    请登录后查看评论内容