土石坝养护修理规程odeofmaintenanceandrepairforearthrockfilldan

土石坝养护修理规程odeofmaintenanceandrepairforearthrockfilldan新质力文库 - 聚焦新质生产力发展的数字化知识库_行业洞察 / 理论成果 / 实践指南免费下载新质力文库
土石坝养护修理规程odeofmaintenanceandrepairforearthrockfilldan
此内容为付费资源,请付费后查看
1319
立即购买
您当前未登录!建议登陆后购买,可保存购买订单
付费资源

第1页 / 共99页

第2页 / 共99页

第3页 / 共99页

第4页 / 共99页

第5页 / 共99页
试读已结束,还剩94页,您可下载完整版后进行离线阅读
THE END
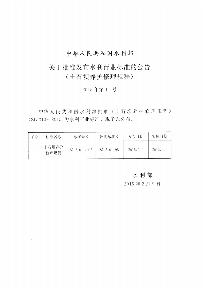
ICS93.160P55SL中华人民共和国水利行业标准SL210-2015替代SL210-98土石坝养护修理规程Code of maintenance and repair for earth rockfill dam2015-02-09发布2015-05-09实施中华人民共和国水利部发布6
喜欢就支持一下吧
评论 抢沙发

请登录后发表评论

    请登录后查看评论内容