有机膨润土Organoclay

有机膨润土Organoclay新质力文库 - 聚焦新质生产力发展的数字化知识库_行业洞察 / 理论成果 / 实践指南免费下载新质力文库
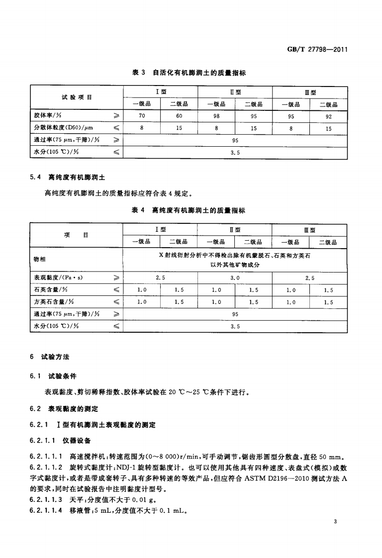
有机膨润土Organoclay
此内容为付费资源,请付费后查看
1319
立即购买
您当前未登录!建议登陆后购买,可保存购买订单
付费资源

第1页 / 共16页

第2页 / 共16页

第3页 / 共16页

第4页 / 共16页

第5页 / 共16页
试读已结束,还剩11页,您可下载完整版后进行离线阅读
THE END
I1CS73.080Q69GB中华人民共和国国家标准GB/T27798-2011有机膨润土Organoclay2011-12-30发布2012-08-01实施中华人民共和国国家质量监督检验检疫总局中国国家标准化管理委员会发布
喜欢就支持一下吧
评论 抢沙发

请登录后发表评论

    请登录后查看评论内容