电容式引张线仪Capacitancewirealignmenttransducer

电容式引张线仪Capacitancewirealignmenttransducer新质力文库 - 聚焦新质生产力发展的数字化知识库_行业洞察 / 理论成果 / 实践指南免费下载新质力文库
电容式引张线仪Capacitancewirealignmenttransducer
此内容为付费资源,请付费后查看
1319
立即购买
您当前未登录!建议登陆后购买,可保存购买订单
付费资源

第1页 / 共10页

第2页 / 共10页

第3页 / 共10页

第4页 / 共10页

第5页 / 共10页
试读已结束,还剩5页,您可下载完整版后进行离线阅读
THE END
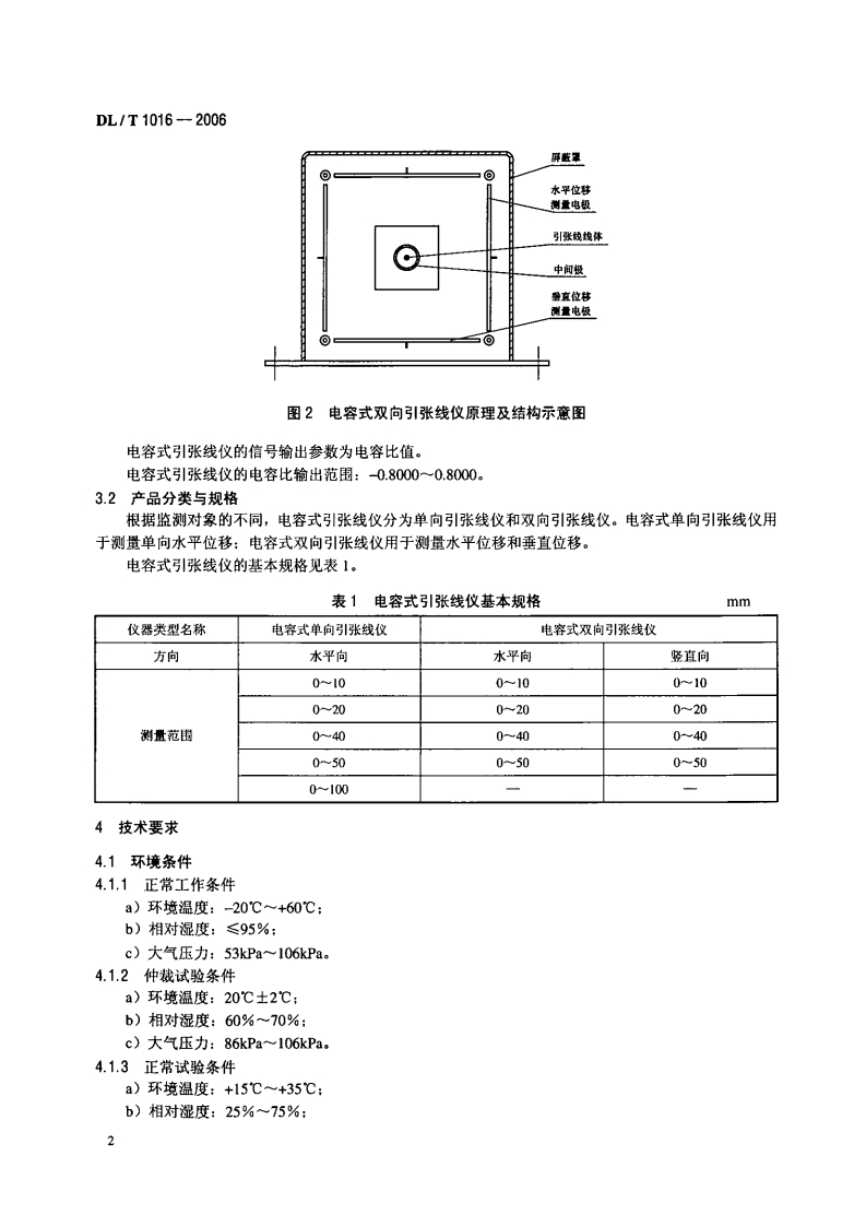
ICs27.120.20N74备案号:18584-2006DL中华人民共和国电力行业标准DL/T1016-2006电容式引张线仪Capacitance wire alignment transducer2006-09-14发布2007-03-01实施中华人民共和国国家发展和改革委员会发布
喜欢就支持一下吧
评论 抢沙发

请登录后发表评论

    请登录后查看评论内容