

第1页 / 共89页

第2页 / 共89页

第3页 / 共89页

第4页 / 共89页

第5页 / 共89页
试读已结束,还剩84页,您可下载完整版后进行离线阅读
THE END
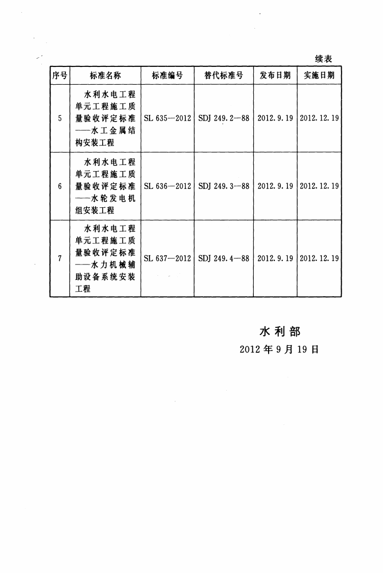
ICS27.140P55SL中华人民共和国水利行业标准SL636—2012替代SDJ249.3一88水利水电工程单元工程施工质量验收评定标准水轮发电机组安装工程Inspection and assessment standard for separated itemproject construction quality of water conservancyand hydroelectric engineering-Installation of hydraulic turbine generator units2012-09-19发布2012-12-19实施中华人民共和国水利部发布
请登录后查看评论内容