

第1页 / 共7页

第2页 / 共7页

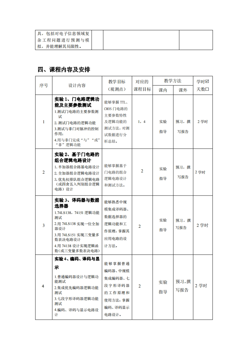
第3页 / 共7页
试读已结束,还剩4页,您可下载完整版后进行离线阅读
THE END
《数字电子技术实验》课程教学大纲(Digital electronic technology experiment)主撰:杨建华审核:韦宏利批准:赵黎一、课程基本信息课程课程040036数字电子技术实验编码名称学分0.75学时24实验性质演示实验口验证实验☑设计实验☑先修电路、数字电子技术基础、模拟电子技术基础课程适用电子信息工程劳动教育依托课程是口否☑专业课程负开课责人杨建华单位电子信息工程学院二、课程简介数字电子技术实验是电子信息工程、自动化等专业的一门专业类独立设课实验。是电子技术基础课程中重要的实践性环节,对培养学生理论联系实际和实践动手能力起很重要的作用。通过本课程的学习,使学生巩固加深数字电路的基础理论知识,常用数字集成芯片的识别与使用规则:掌握数字逻辑电路的设计方法,电路连接、调试、故障分析与排除方法:掌握中小综合数字系统的设计与优化方法,实验数据的处理与分析方法:初步掌握EDA工具和大规模可编程逻辑器件的设计方法:具备独立分析和解决中小规模数字逻辑问题的综合能力。三、课程目标及其对毕业要求的支撑(一)课程目标课程目标1:能熟练使用常用实验仪器、设备、软件工具,连接、调试、测量数字器件和数字电路的参数和波形,分析与排除实验故障,能够运用数字电路知识判断实验现象。加
请登录后查看评论内容