

第1页 / 共5页

第2页 / 共5页

第3页 / 共5页
试读已结束,还剩2页,您可下载完整版后进行离线阅读
THE END
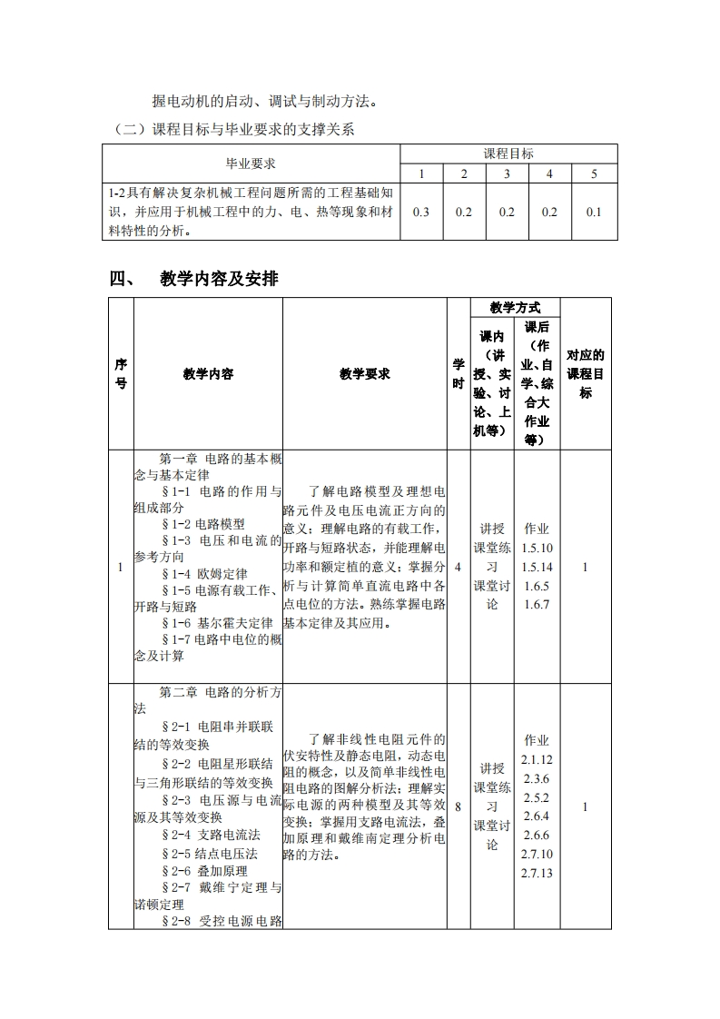
电工技术ElectricianTechnology主撰:王泽民审核:闫克丁批准:一、课程基本信息课程课程编码2429名称电工技术学分总学时讲课上机实验3484800学时学时学时课程数学与自然科学口人文社会科学口工程基础口专业基础口√专业课口类别先修课程大学物理、高等数学适用专业机械电子工程、机械设计制造及其自动化开课电子信息工程学院单位二、课程性质与目的本课程是工科类非电专业的一门专业技术基础课程。本课程旨在使学生了解电工技术的应用及发展概况,懂得电路的基本作用、基本规律和基本分析方法:获得电技术入门的必要基础理论、基本知识和基本技能:为学习后续课程以及从事与本学科有关的工程技术工作打下一定的基础。三、课程目标及其对毕业要求的支撑(一)课程目标课程目标1:理解电路的基本概念和基本定律,掌握电路的基本分析方法:课程目标2:理解电路的暂态与稳态,掌握一阶线性电路的三要素分析方法:课程目标3:掌握正弦电路的基本分析与计算方法,理解功率因数提高的意义及方法,理解安全用电及常见的保护方法:课程目标4:理解磁性材料的磁性能以及相关物理量的意义和单位:理解分析磁路的基本定律:掌握变压器、电磁铁等常见电工设备的工作原理与分析方法:课程目标5:理解三相异步电动机的基本构造,转动原理,机械特性,掌
请登录后查看评论内容