

第1页 / 共11页

第2页 / 共11页
试读已结束,还剩9页,您可下载完整版后进行离线阅读
THE END
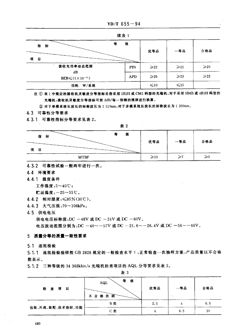
中华人民共和国通信行业标准YD/T655-9434368kbit/s光端机质量分等标准1主题内容和适用范圈本标准规定了34368kbit/s光端机的质量等级及其要求。本标准适用于34368kbit/s光端机,是考核34368kbit/s光端机产品质量等级的依据。本标准不适用于产品分选。2引用标准GB/T12707工业产品质量分等导则GB2828逐批检查计数抽样程序及抽样表(适用于连续批的检查)GB2829周期检查计数抽样程序及抽样表(适用于生产过程稳定性的检查)GB/T139972048kbit/s,8448kbit/s、34368kbit/s、139264kbit/s光端机技术要求GB2423电工电子产品环境试验规程YD282邮电通信产品通信设备可靠性通用试验方法3质量分等34368kbit/s光端机的产品质量水平划分为三等:优等品、一等品和合格品。其划分原则应符合GB/T12707第2章的规定。4质量分等要求4.1基本要求三种等级的34368kbit/s光端机的技术要求首先应符合GB/T13997的规定。4.2主要技术指标的分等要求主要技术指标的分等要求见表1。表1等指标级优等品一等品合格品项目平均发送光功率稳定度(LD光源),dBm设定值士0.4设定值士0.7设定值士1.0PIN≤-46≤-43≤-40接收机灵敏度放长850nmAPD≤-52≤-51≤-50dBm莜长1310nmPIN-40BER(1X10-)≤-44≤-42或1300nm邮电部1994-05-21批准1994-05-21实施
请登录后查看评论内容