卫生健康信息数据元取值范围代码第8部分_临床辅助检测

卫生健康信息数据元取值范围代码第8部分_临床辅助检测新质力文库 - 聚焦新质生产力发展的数字化知识库_行业洞察 / 理论成果 / 实践指南免费下载新质力文库
卫生健康信息数据元取值范围代码第8部分_临床辅助检测
此内容为付费资源,请付费后查看
1319
立即购买
您当前未登录!建议登陆后购买,可保存购买订单
付费资源

第1页 / 共20页

第2页 / 共20页

第3页 / 共20页

第4页 / 共20页

第5页 / 共20页
试读已结束,还剩15页,您可下载完整版后进行离线阅读
THE END
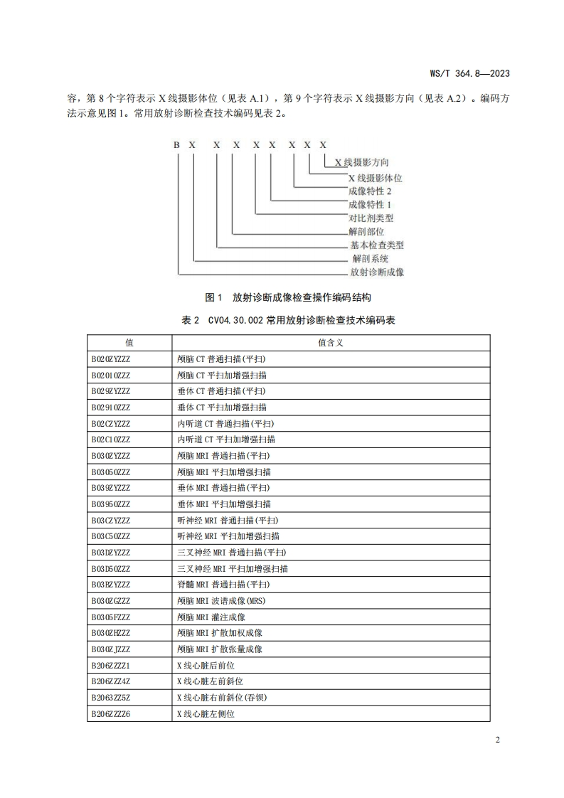
ICS11.020CCS C07WS中华人民共和国卫生行业标准WS/T364.8-2023代替WS364.8-2011卫生健康信息数据元值域代码第8部分:临床辅助检查Coding for value domain of health data element-Part 8:Assistant examination2023-10-07发布2024-04-01实施中华人民共和国国家卫生健康委员会发布
喜欢就支持一下吧
评论 抢沙发

请登录后发表评论

    请登录后查看评论内容