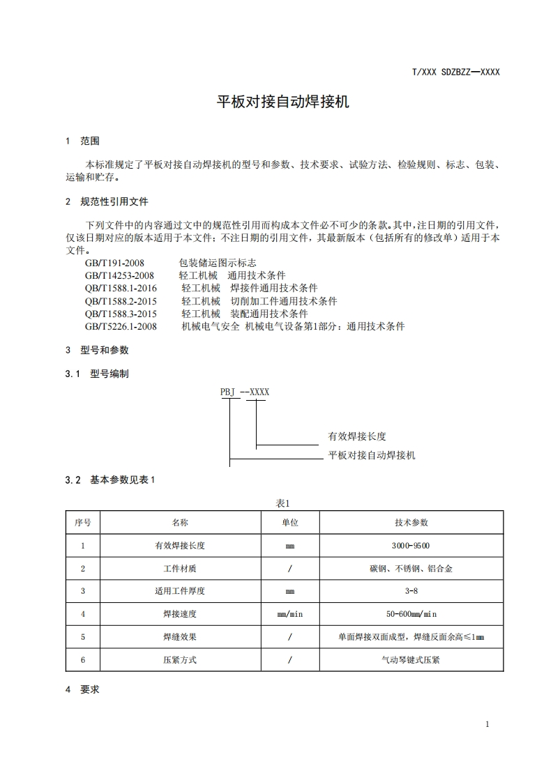
平板对接自动焊接机Flatbuttautomaticweldingmachine(征求意见稿)348072@abc7天前发布关注私信0.24MB6页045免费资源平板对接自动焊接机Flatbuttautomaticweldingmachine(征求意见稿)资源下载123云盘提取码:7394 第1页 / 共6页 第2页 / 共6页 第3页 / 共6页 第4页 / 共6页 第5页 / 共6页 该文档为免费文档,您可直接下载完整版进行阅读 THE END标准规范 文本预览 ICS25.160.10CCS J 33USDZBZZ山东省装备制造业协会团体标准T/XXX SDZBZZ-XXXX平板对接自动焊接机Flat butt automatic welding machine(征求意见稿)XXXX-Xx-XX发布XXXX-x-XX实施山东省装备制造业协会发布 查看更多 收起部分 喜欢就支持一下吧收藏
请登录后查看评论内容