Salior_6390_Navtex_Receiver_QuickRef_Manual操作说明书手册

Salior_6390_Navtex_Receiver_QuickRef_Manual操作说明书手册新质力文库 - 聚焦新质生产力发展的数字化知识库_行业洞察 / 理论成果 / 实践指南免费下载新质力文库
Salior_6390_Navtex_Receiver_QuickRef_Manual操作说明书手册
此内容为付费资源,请付费后查看
1619
立即购买
您当前未登录!建议登陆后购买,可保存购买订单
付费资源

第1页 / 共2页

第2页 / 共2页
已完成全部阅读,共2
THE END
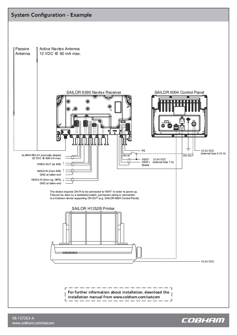
COBHAmSAILOR 6390 Navtex ReceiverInstallation guideWhat's in the box?Dimensions4巴45mSALOR6390 Navtex Recaver999Mountingtool forFuse Pulertemmhd blocksRCable TieFuse5x200 mm (8 pes.)1)02Srew M4x12T0x20(5 pcs02270nmScrew ST3.9x19User ManudIrstallation GuideTO数SAlLOR 6390 Navtex ReceherSAlLOR 6390 Navtex Recetver(5 pes)Drilling planLED overviewh指。270mm000信是Power.Lit when the device is onRx:Flashes when receiving Navtex data on anyactive frequency.Test:Lit when power on self test is passed.Flashes ifa fault is detected.Cable recommendation12 nn246mm12 n0.Power:+/PE shielded,0.5 mm2(AWG20)·NMEAShielded twisted pair(GPS INS IN/INS OUT).Alarm:Shielded two wires(e.g.minimum 0.15 mm2-AWG26).LAN:Cat5e or better,shielded (STP)dyhane Thrane The infomtonnh62013CSAT
喜欢就支持一下吧
评论 抢沙发

请登录后发表评论

    请登录后查看评论内容