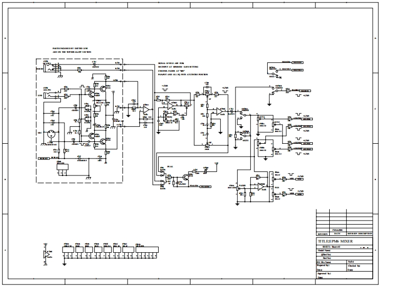
Soundcraft-EPM6-schematic

Soundcraft-EPM6-schematic新质力文库 - 聚焦新质生产力发展的数字化知识库_行业洞察 / 理论成果 / 实践指南免费下载新质力文库
Soundcraft-EPM6-schematic
此内容为付费资源,请付费后查看
3239
立即购买
您当前未登录!建议登陆后购买,可保存购买订单
付费资源

第1页 / 共41页

第2页 / 共41页
试读已结束,还剩39页,您可下载完整版后进行离线阅读
THE END
B遥E红口WPAPILANTLATW口)T隆受17t-106发13发1r1ITITLE:EPM6 MIXERSHEET:EFM6Modd Namert NoPatNeBM Fle Nam过byCheckad by:A再edbyDhte:
喜欢就支持一下吧
评论 抢沙发

请登录后发表评论

    请登录后查看评论内容