Kymco-Agility-RS-125-Wiring-Diagram电气原理图手册

Kymco-Agility-RS-125-Wiring-Diagram电气原理图手册新质力文库 - 聚焦新质生产力发展的数字化知识库_行业洞察 / 理论成果 / 实践指南免费下载新质力文库
Kymco-Agility-RS-125-Wiring-Diagram电气原理图手册
此内容为付费资源,请付费后查看
1323
立即购买
您当前未登录!建议登陆后购买,可保存购买订单
付费资源

第1页 / 共1页
已完成全部阅读,共1
THE END
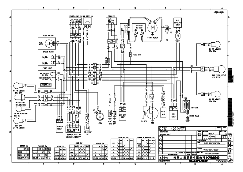
D12V 8NHTRATTSSYFUEL METER5B头☐●刚限w工R田线2V tOV州TAL/STOP LDGHTV5/2IV¥HEAD LGHT密挡/BW8日8山州FR0IDV SVLNITPULSERACGLH FRA¥L▲H0洲SY77日■0START SYPASSING SVBAT IG E SATLGSTE风厨口HO BALOCK000LD00302-LDF7-E000-ITFREETNn7n6P.4=5PUSOO加u-7-1nPUSH OON0RHCOLDHYA Gaa四LGrdCOLDH R M G BCI SB 0光偶工果股份有限公可G⊙O
喜欢就支持一下吧
评论 抢沙发

请登录后发表评论

    请登录后查看评论内容