

第1页 / 共17页

第2页 / 共17页
试读已结束,还剩15页,您可下载完整版后进行离线阅读
THE END
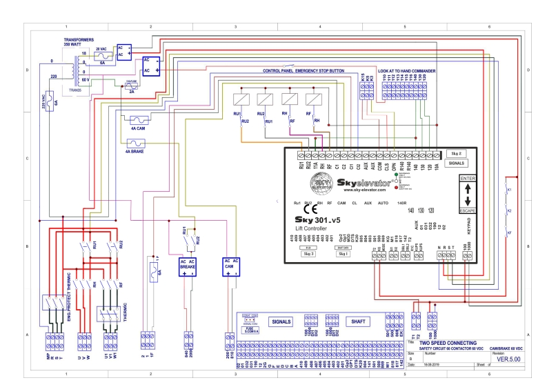
SKYELEVATORSkyElevatorwww.sky-elevator.com图也δ88888用图百5y2SIGNALSKyelevatorwww.sky-elevator.comRU1 RRU2 RHRF CAMCE AUX AUTO 14ORNTE不7厚7话r786黑714013070MANUAL CALLT长CALL NUMBER 000ESCAPE37301V6Lift Controller53里司91f9的百8餐9黄多多9居叁geNPUTRA旧EdVOLTAGEaecSky 30-V6MAIN CONTROL BOARDTECHNICAL DRAWINGV-6.0
请登录后查看评论内容