

第1页 / 共28页

第2页 / 共28页
试读已结束,还剩26页,您可下载完整版后进行离线阅读
THE END
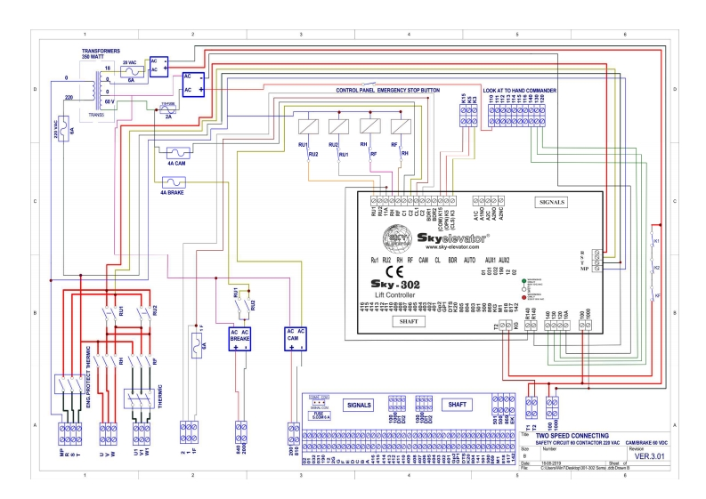
SKYELEVATORywww.sky-elevator.com00706©@E688周a9图围54EDISPLAYSKelevator思图www.skv-elevator.comRU1RU2RHCAMAUX1 AUXMANUAU CALLCALL NUMBER0005302Lift Controller.CALLSENGODERSIGNALSeEVEL因巴53目Sku-302MAIN CONTROL BOARDTECHNICAL DRAWINGV-3.0
请登录后查看评论内容