

第1页 / 共3页

第2页 / 共3页
试读已结束,还剩1页,您可下载完整版后进行离线阅读
THE END
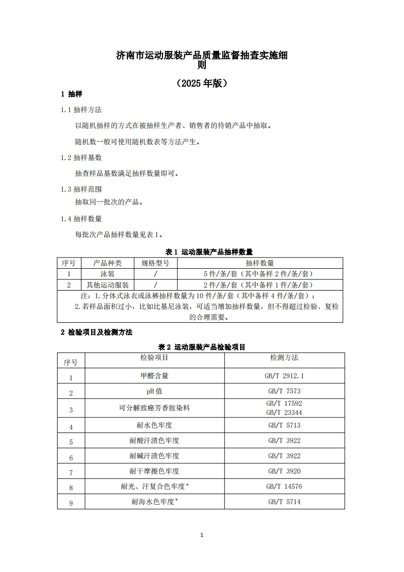
济南市运动服装产品质量监督抽查实施细则(2025年版)1抽样1.1抽样方法以随机抽样的方式在被抽样生产者、销售者的待销产品中抽取。随机数一般可使用随机数表等方法产生。1.2抽样基数抽查样品基数满足抽样数量即可。1.3抽样范围抽取同一批次的产品。1.4抽样数量每批次产品抽样数量见表1。表1运动服装产品抽样数量序号产品种类规格型号抽样数量1泳装/5件/条/套(其中备样2件/条/套)2其他运动服装2件/条/套(其中备样1件/条/套)注:1.分体式泳衣或泳裤抽样数量为10件/条/套(其中备样4件/条/套):2.若样品面积过小,比如比基尼泳装,可适当增加抽样数量,但不得超过检验、复检的合理需要。2检验项目及检测方法表2运动服装产品检验项目序号检验项目检测方法1甲醛含量GB/T2912.12pH值GB/T7573GB/T175923可分解致癌芳香胺染料GB/T233444耐水色牢度GB/T57135耐酸汗渍色牢度GB/T39226耐碱汗渍色牢度GB/T3922耐干摩擦色牢度GB/T39208耐光、汗复合色牢度“GB/T145769耐海水色牢度“GB/T5714
请登录后查看评论内容