索尼游戏耳机CUHJ-15017_v0.1电器原理图

索尼游戏耳机CUHJ-15017_v0.1电器原理图新质力文库 - 聚焦新质生产力发展的数字化知识库_行业洞察 / 理论成果 / 实践指南免费下载新质力文库
索尼游戏耳机CUHJ-15017_v0.1电器原理图
此内容为付费资源,请付费后查看
2332
立即购买
您当前未登录!建议登陆后购买,可保存购买订单
付费资源

第1页 / 共1页
已完成全部阅读,共1
THE END
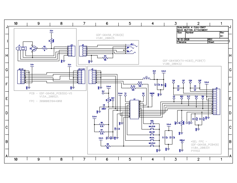
109817654321DUALSHOCK 4 CUHJ-15017BACK BUTTON ATTACHMENTSzeNumberRevGDF-G6450_PC32(6a.1V1.0C_200415商-2-0】RDCFilenome办即一HHGDF-G6450(XTX-HC03)PCBK7)V1.aB200422GGF时PCB GDF-G6450_PCB3(6)-V5EV1.5A_200521.8■EFPC-309008319449R0DD塑0086/AR三06008白6→30B66◆SEL FPCM3/PA3BGDF-G6450PC84(68吉V1.0A_288331P11115A1098765432
喜欢就支持一下吧
评论 抢沙发

请登录后发表评论

    请登录后查看评论内容