GSK218MC系列PLC安装连接手册2022年11月第6版定

GSK218MC系列PLC安装连接手册2022年11月第6版定新质力文库 - 聚焦新质生产力发展的数字化知识库_行业洞察 / 理论成果 / 实践指南免费下载新质力文库
GSK218MC系列PLC安装连接手册2022年11月第6版定
此内容为付费资源,请付费后查看
1725
立即购买
您当前未登录!建议登陆后购买,可保存购买订单
付费资源

第1页 / 共284页

第2页 / 共284页
试读已结束,还剩282页,您可下载完整版后进行离线阅读
THE END
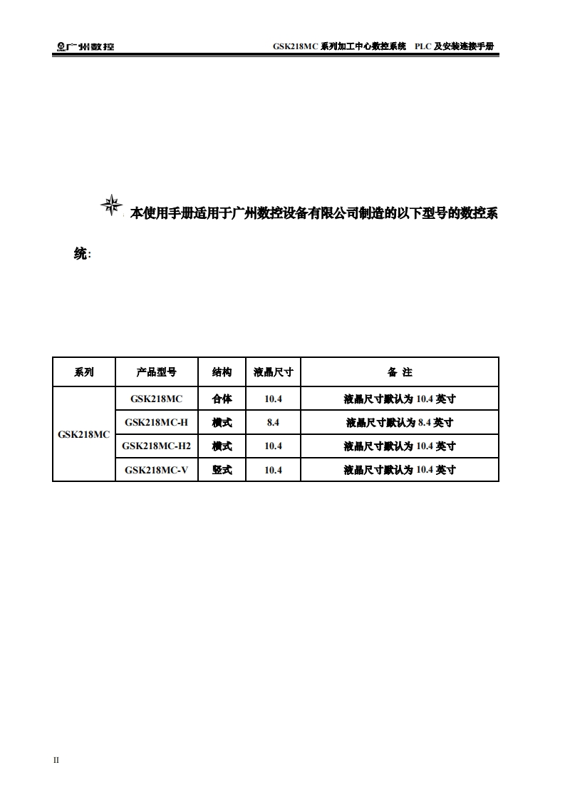
在本使用手册中,我们将尽力叙述各种与GSK218MC系列加工中心系统操作相关的事项。限于篇幅限制及产品具体使用等原因,不可能对该系列数控系统中所有不必做或不能做的操作进行详细的叙述。因此,本使用手册中没有特别指明的事项均视为“不可能”或“不允许”进行的操作。半本使用手册的版权,归广州数控设备有限公司所有,任何单位与个人进行出版或复印均属于非法行为,广州数控设备有限公司将保留追究其法律责任的权利。
喜欢就支持一下吧
评论 抢沙发

请登录后发表评论

    请登录后查看评论内容