FT-90R_维修说明书图册

FT-90R_维修说明书图册新质力文库 - 聚焦新质生产力发展的数字化知识库_行业洞察 / 理论成果 / 实践指南免费下载新质力文库
FT-90R_维修说明书图册
此内容为付费资源,请付费后查看
1323
立即购买
您当前未登录!建议登陆后购买,可保存购买订单
付费资源

第1页 / 共22页

第2页 / 共22页
试读已结束,还剩20页,您可下载完整版后进行离线阅读
THE END
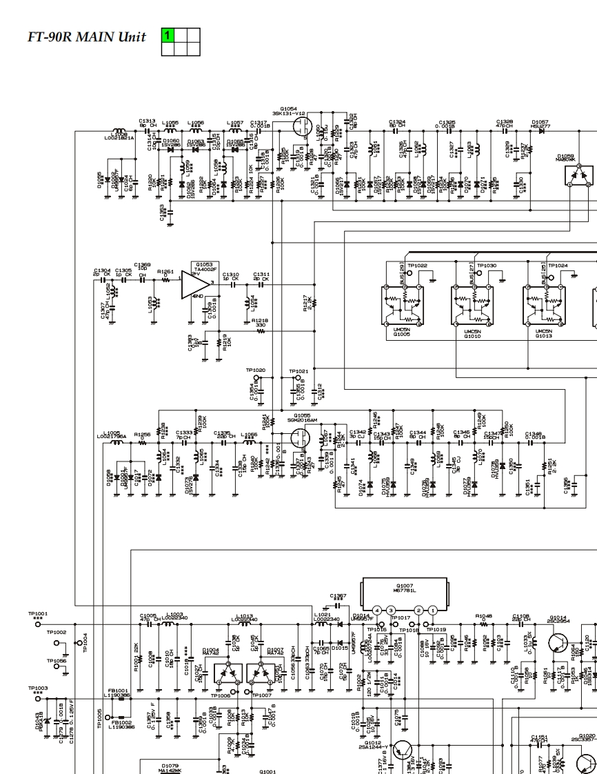
FT-90R MAIN Unit342L思,糕,,7塑】解料封C9tP102结投663P402TP1021年8g987LC17TP100182Lb盟0R加0m6TP1002P40190赠街TP1903L用89品。槌影w8182
喜欢就支持一下吧
评论 抢沙发

请登录后发表评论

    请登录后查看评论内容