FT-712RH_维修说明书图册

FT-712RH_维修说明书图册新质力文库 - 聚焦新质生产力发展的数字化知识库_行业洞察 / 理论成果 / 实践指南免费下载新质力文库
FT-712RH_维修说明书图册
此内容为付费资源,请付费后查看
1619
立即购买
您当前未登录!建议登陆后购买,可保存购买订单
付费资源

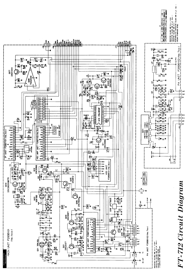
第1页 / 共4页

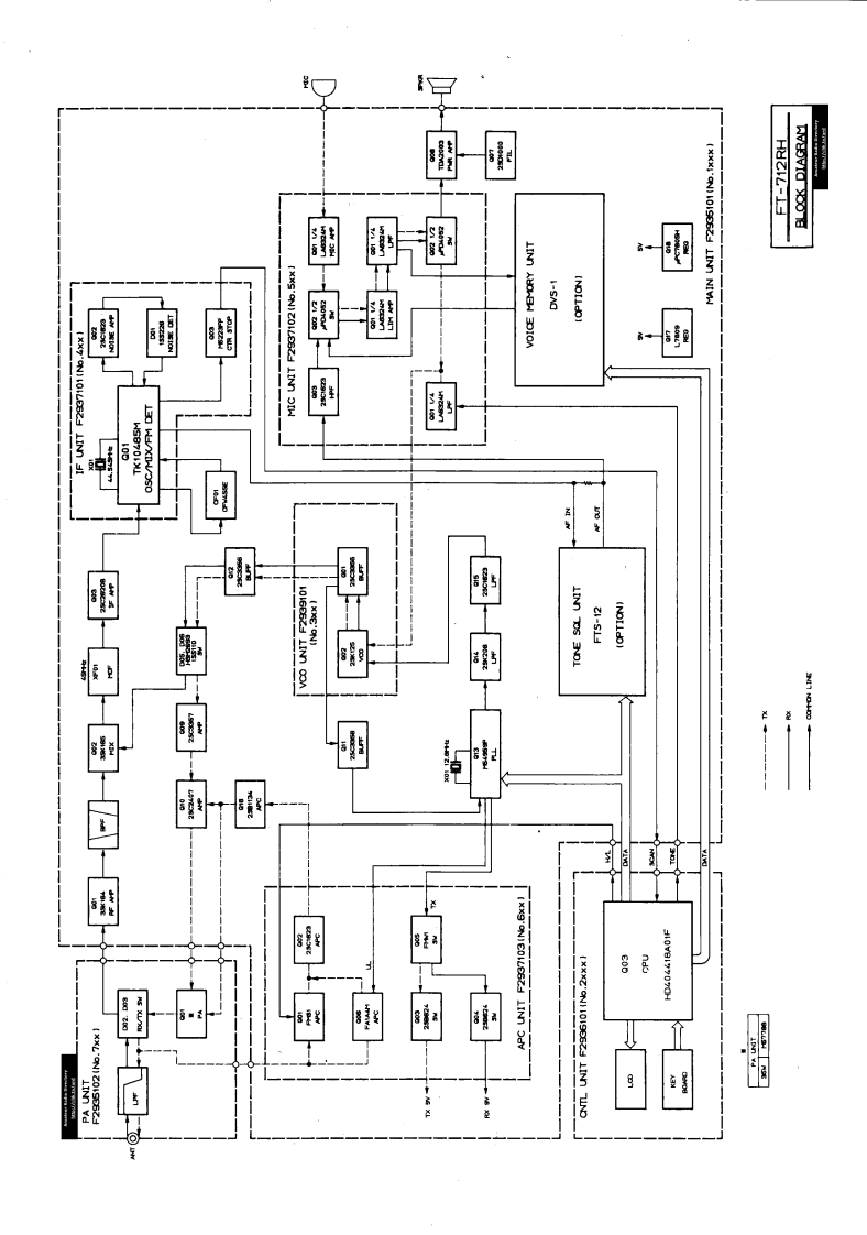
第2页 / 共4页
试读已结束,还剩2页,您可下载完整版后进行离线阅读
THE END
團国AVEVIO二下-O0708中楼1INn TS 3OL轻(Xx9'ON)LIN Odvg
喜欢就支持一下吧
评论 抢沙发

请登录后发表评论

    请登录后查看评论内容