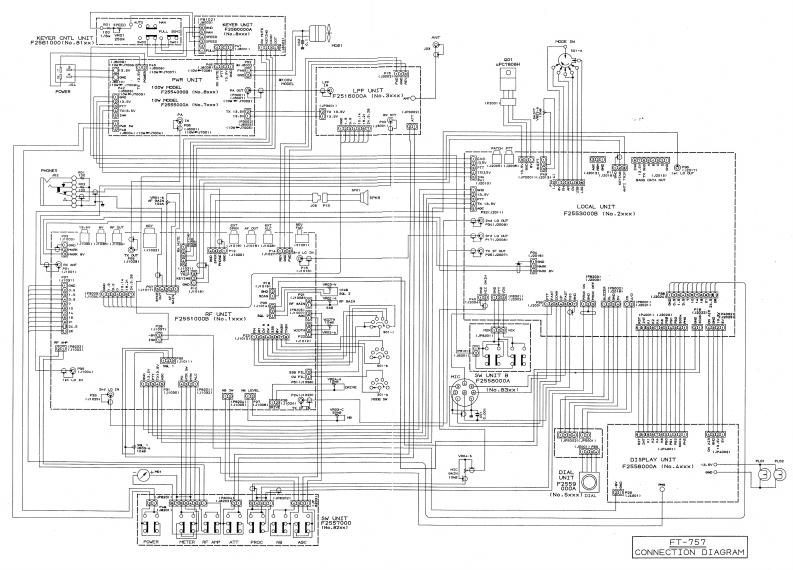
FT-757GX_参考电器原理图

FT-757GX_参考电器原理图新质力文库 - 聚焦新质生产力发展的数字化知识库_行业洞察 / 理论成果 / 实践指南免费下载新质力文库
FT-757GX_参考电器原理图
此内容为付费资源,请付费后查看
1619
立即购买
您当前未登录!建议登陆后购买,可保存购买订单
付费资源

第1页 / 共4页

第2页 / 共4页
试读已结束,还剩2页,您可下载完整版后进行离线阅读
THE END
100w PA LNIT (1O0N HODEL)1 OW PA UNIT《1GNC0eLI密涩翻西凰十D州器画品w函网密网翠图2翻密中密一盟一2一网一钢寧密革密中密图受型密配园型图蹈一网.奥图密图胞门CAT DUTFT-757GX/SXBLOCK DIAGRAM称
喜欢就支持一下吧
评论 抢沙发

请登录后发表评论

    请登录后查看评论内容