

第1页 / 共5页

第2页 / 共5页
试读已结束,还剩3页,您可下载完整版后进行离线阅读
© 版权声明
文章版权归作者所有,未经允许请勿转载。
THE END
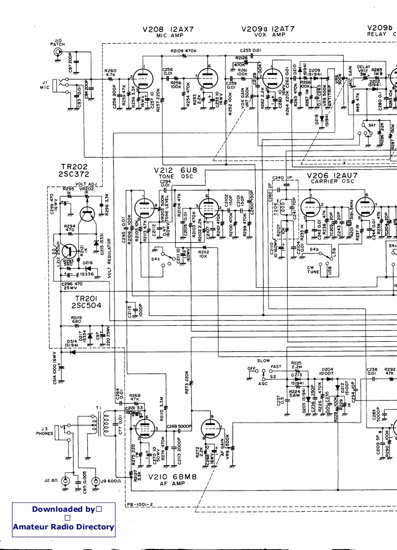
V20812AX7V209a12AT7V209bMIC AMPVOX AMPRELAY CPATCHR2109470Kc2530.01R2I2611DELAY4TR2022SC372V2126U8TONEoSc240V206 12AU7CARRIER OSC艷瑞①354b54h0216F1s336TR2012SC5048路SLOWFAST6868988a52三《3C2695000PHONES28nV2106BM8oJ96o0nAFAMP1P-00-2Downloaded by□0Amateur Radio Directory
暂无评论内容